[sc:ads1]
[sc:ads2]
Скорость, адреналин, завистливые взгляды автомобилистов, томящихся пробках, практически абсолютная свобода передвижения – все это причины для того, завести двухколесного друга. Однако одновременно с несомненными плюсами, вождение мотоцикла взваливает на плечи водителя и дополнительную ответственность. Байк на порядок опаснее, чем автомобиль, причем не только для обладателя двухколесного транспортного средства.
Для того, чтобы максимально снизить возможный вред окружающим и набраться опыта, бывалые дорожные волки рекомендуют начинать знакомство с тонкостями байкерства с маломощных мопедов и скутеров. Совет во многом справедливый, но желание колесить на «позорном» дедушкином дырчике возникает далеко не у всех, особенно, когда вокруг пестрят пижонские нейкэды и вальяжные чопперы.
Первая версия ZZR увидела мир в далеком 1990-ом году. Удачная компоновка мощного двигателя и революционного (на тот момент) дизайна, моментально и несколько неожиданно сделали мотоцикл Кавасаки ZZR 400 бестселлером. Вскоре, в 1994-ом году, по результатам работы с отзывами о Kawasaki ZZR 400, была презентована версия с индексом «2».
| Классификация мотоцикла | спорт-турист |
| Габариты мотоцикла (длина; ширина; высота) | 2075; 695; 1175 |
| Колесная база, мм | 1430 |
| Система привода | цепная |
| Расход топлива на 100 км, л | 7 |
| Предел скорости, км/час | 190 |
| Динамика разгона до 100 км, с | 4,7 |
| Количество цилиндров | 4 |
| Размещение цилиндров | рядное |
| Количество тактов | 4 |
| Объем силового агрегата, см.куб. | 399 |
| Степень сжатия | 11,8 |
| Тип газораспределяющей системы | DOCH |
| Количество клапанов на один цилиндр | 4 |
| Способ охлаждения | жидкостный |
| Размер цилиндра, мм | 57,5 |
| Ход поршня, мм | 38,5 |
| Мощность двигателя, л.с.; об. в минуту | 53; 11000 |
| Максимальный крутящий момент, Н/м; об. в минуту | 37; 10000 |
| Количество карбюраторов | 4 |
| Строение коробки передач | секвентального образца |
| Количество передач | 6 |
| Тип переднего тормоза | спаренные диски с четырехпоршневым суппортом |
| Тип заднего тормоза | одинарный диск с двухпоршневым суппортом |
| Максимальный запас топлива, л | 18 |
| Тип передних покрышек | 120 на 60, R17 |
| Тип задних покрышек | 160 на 60, R17 |
| Масса не груженного мотоцикла, кг | 197 |
Цены
Несколько лет назад более совершенные модели сменили на конвейере Kawasaki ZZR 400. Цены на новый мотоцикл, если бы он выпускался в наши дни, доходили бы до полумиллиона рублей. За 150 – 180 тысяч можно найти транспортное средство в отличном состоянии после одного владельца. Разброс цен довольно значительный. Стоимость зависит от года модели, пробега и технического состояния Kawasaki ZZR 400. Цены на б/у разных годов выпуска следующие:
Цены на ZZR 400 разных годов выпуска. Скриншот с портала moto.auto.ru
Достоинства
Главным достоинством пользователи считают лёгкую и одновременно массивную раму.
Мотоцикл довольно популярен и в наше время далеко не в последнюю очередь из-за невысокой цены за подержанный экземпляр.
Первое качество она имеет из-за особых алюминиевых сплавов, а второе от родственника — старшей модели. Так как при разработке мотоцикла уже вышла в свет ZZR 600 — многие детали перешли от неё. Рама рассчитана на больший движок, поэтому владельцам 400 беспокоится было не о чем.
Другим плюсом стала дальновидность дизайнерского отдела Kawasaki, которые сумели создать модель, которая спустя 25 лет выглядит современной и изящной.
Вид сзади.
Вид сбоку.
Вид сверху.
Большим достоинством является демократичная цена мотоцикла и комплектующих.
Несмотря на разработку для внутреннего рынка Kawasaki ZZR 400 хорошо подойдёт не только низкорослым азиатам, но и европейцу среднего и высокого роста. Тесты показали что даже людям ростом 190 см на мотоцикле довольно комфортно.
![[Докатились!] Тест драйв Kawasaki ZZR 400. Отличное и комфортное ведро.](https://i.ytimg.com/vi/piQ6E-YTPH4/sddefault.jpg)

Технические характеристики
| модель | Kawasaki ZZR 400 |
| тип | спортивный |
| длина | 2 070 мм |
| высота | 1 175 мм |
| высота по сиденье | 760 мм |
| база | 1 385 мм |
| мощность двигателя | 59 (53) л.с. |
| объем бака | 18 л. |
| количество передач | 6 |
| сухая масса | 190 кг |
| Полные технические характеристики здесь. | |
Передняя покрышка имеет размер 120/60 на 17 дюймов. Задняя — 160/60 на 17 дюймов. Коробка скоростей с секвентальным принципом переключения передач. Крутящий момент передается посредством цепной передачи. Передняя тормозная система представляет собой два диска диаметром 310 мм каждый, помещенные в четырехпоршневой суппорт. На заднем колесе двухпоршневой суппорт с одним диском диаметром 220 мм. Максимальная скорость Kawasaki ZZR 400 достигает 180 км/ч. Хотя некоторые владельцы говорят о том, что возможно достичь и 190 км/ч. Разгон до 100км/ч занимает 4,3 секунды.
Двигатель и топливная система
Четырехтактный силовой агрегат имеет рядное расположение цилиндров. Параметры следующие:
- количество цилиндров – четыре;
- объем — 399 см3;
- размер и ход поршней, мм — 57/39;
- число клапанов – 16;
- крутящий момент, Н/м – 39;
- число оборотов в минуту – 11000.
Топливо подается посредством четырех корбюраторов Keihin cvk 32. Силовая установка использует бензин АИ 92. Двигатель мотоцикла Kawasaki ZZR 400 оснащен жидкостным охлаждением. Запускается электростартером. Зажигание электронное. С 2001 года заводом-производителем устанавливается дожигатель топлива. По паспорту у мотоцикла Kawasaki ZZR 400 расход топлива составляет 3,7 литра на 100 км, но в реальной эксплуатации может быть и больше 5 литров. Ремонт и запчасти
В силу своей распространенности запчасти мотоцикла Kawasaki ZZR 400 имеются в наличие во многих специализированных магазинах и мастерских. Заказать через интернет не представляет никаких проблем. При этом, в зависимости от года выпуска, страны происхождения цена может быть различной.
- Двигатель с пробегом 10 – 15 тыс. км стоит около 30 000 руб.
- Б/у блок карбюраторов ZZR 400 — 5 000 руб.
- Диск сцепления на ZZR 400 производства КНР стоит около 2 000 руб.
- Поворотники на ZZR 400 производства фирмы Visma стоят от 1 300 руб. за одну штуку.
- Передняя вилка Kawasaki ZZR 400 образца 1991 стоит порядка 10 000 руб.
- Качественная цепь на ZZR 400 — не менее 1 500 руб.
Заказать запчасти можно по этой ссылке.
Читай другие мото обзоры Большой обзор Yamaha YBR 250
Ремонт Kawasaki ZZR 400 особых сложностей не представляет. Мануал ZZR 400 обращает особое внимание владельцев на необходимость ежедневного обслуживания. Производитель рекомендует перед каждой поездкой проделать ряд манипуляций. Это не только поможет сохранить ресурс узлов и агрегатов, но и предотвратить серьезные поломки.
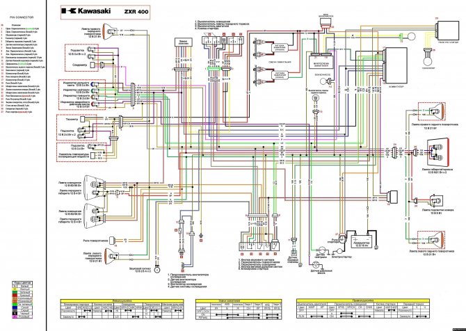
Электрическая схема мотоцикла Kawasaki ZZR 400.
Открыть в размере.
Общее описание мотоцикла
На сегодняшний день мотоцикл Kawasaki ZZR (Кавасаки ЗЗР) 400 кажется несколько обыденным и традиционным.
Но во времена его создания такая модель была просто потрясающей.
И это не только в плане дизайна транспортного средства, но и его технических параметров, что также были на высоте.
Мотоцикл имеет мощную спортивную байковскую раму, что выполняется из сплава алюминия, а также четырехцилиндровый двигатель с системой жидкостного охлаждения.
В качестве идеального дополнения ко всему прочему выступают массивный задний маятник, дисковые тормоза, огромный бак для топлива, а также уникальный дизайн, который до этого времени считается современным и впечатляющим.
Модернизация и тюнинг
Чаще всего тюнинг мотоцикла заключается в повышении мощности агрегата. Достигается это за счет установки более производительного блока карбюраторов Mikuni. Что касается внешнего облика, то встречается и индивидуально изготовленный пластиковый обвес.
Примеры тюнинга:
Тюнинг внешнего вида
Белый Зизер. Стайлинг мотоцикла
009_moto_0211_040
Та же проблема может встречаться и на первом поколении. Но здесь невооруженным глазом виден и сам эйрбокс, который тоже может «прохудиться» по шву.
Та же проблема может встречаться и на первом поколении. Но здесь невооруженным глазом виден и сам эйрбокс, который тоже может «прохудиться» по шву.
(-) Еще одна возможная причина «плавающих» холостых — неисправность реле-регулятора. Низкое напряжение «сбивает с толку» блок управления зажиганием. Правда, этот «косяк» может вылезти не сразу, а после того как аккумулятор подсядет без должной зарядки (обычно за полчаса-час работы двигателя, и это сразу видно по тусклому свету фары). Само же реле, как правило, «отдает концы» при использовании неисправного аккумулятора. Проверяется работа системы заряда просто: на оборотах двигателя выше 4000 напряжение на клеммах аккумулятора должно быть не ниже 14,5 В.
Отзывы владельцев
Большинству опытных владельцев Зизер по вкусу благодаря простоте в обслуживании и доступности запасных частей. Для девушек и начинающих байкеров мотоцикл весьма тяжел (почти 200кг). Несмотря на высокооборотистый двигатель, спортивный стиль вождения не для него. Отзывы владельцев свидетельствуют, что наиболее комфортная скорость — 110 -115 км/ч. При таком режиме эксплуатации сохраняется значительный ресурс агрегатов. Что касается езды с пассажиром, то хотя конструкцией и предусмотрено размещение второго седока, на этой модели он все-же лишний.
Отзыв владельца №1
Отзыв владельца №2
Любители этой модели общаются на тематическом зизер форуме.
Читай другие мото обзоры Подробный обзор мотоцикла Ducati Monster 696
Конструкция мотоцикла
Основной отличительной чертой мотоцикла Kawasaki ZZR (Кавасаки ЗЗР) 400 являлось то, что эта модель с самого своего создания предназначалась для внутри японского использования.
Хотя по своей ширине «зизер» станет прекрасным вариантом для людей высокого роста, которые «оседлают» этого двухколесного «скакуна». Запас прочности модели значителен.
Ведь его рама и шасси способны выдержать большие нагрузки, что можно подавать на шестисоткубовый двигатель.
Со времени своего проектирования такая модель мотоцикла почти не изменилась. Ведь ее производство успешным образом продолжается до сих пор.
Изменились только цвета байка и форма дефлекторов по бокам. А в 1993 году решили базу сделать немного короче, естественно, сократив и мощность до 53 лошадиных сил.
Причиной тому стало введение ограничений мощности, которое волей-неволей повлияло на весь модельный ряд мотоциклов с объемом двигателя 400 кубических сантиметров.
Плюсы и минусы
К достоинствам двухколесной машины владельцы относят эффектный внешний вид. При должном уходе и техническом обслуживании обеспечивается достаточная надежность. Стоимость владения мотоциклом невысокая. В тоже время, требования к сервису и манере вождения жестки. При активном пользовании сцеплением, вылетает вторая передача. После набора 120 км/ч динамика разгона снижается и становится весьма вялой.
Плюсы
- Отличный байк для начинающих.
- Очень дружелюбный, неприхотлив в обслуживании.
- Надежный.
Минусы
- Тяжеловат.
- Не очень маневренный.
- Вялый разгон после 120 км/ч.
007_moto_0211_040
Тормоза на ZZ-R400 перекочевали с «шестисотки», так что с их эффективностью полный порядок.
Тормоза на ZZ-R400 перекочевали с «шестисотки», так что с их эффективностью полный порядок.
ГДЕ И КАК ИСКАТЬ? В целом, конструкция мотоцикла весьма надежна. Серьезных «болезней» в каких-либо узлах мотоцикла нет, а все проблемы, о которых часто идет речь при обсуждении модели, связаны с неумелой эксплуатацией мотоцикла или с нецелевым использованием. Первый и главный совет при выборе «Зизера»: ищите мотоцикл «без пробега по РФ». (в вынос) В подавляющем большинстве случаев ZZ-R400 покупается соотечественниками как первый японский мотоцикл, соответственно, или после опыта эксплуатации отечественной техники, или без опыта вообще. Как правило, новички имеют и мало знаний в области правильного обслуживания, и недостаточный опыт эксплуатации. И именно в процессе «познания» мотоциклы и «убиваются» буквально за сезон-другой жизни в России. Шанс найти аппарат в приличном состоянии из тех, что хотя бы пару сезонов поездили у нас, достаточно сложно. Однако не стоит забывать, что и свежепривезенный из Японии аппарат может оказаться хорошо загримированным «мертвецом», хотя таких все же не много.
При выборе ZZ-R не стоит заострять внимание на аппаратах первых годов выпуска. Даже при самой аккуратной эксплуатации ресурс КП вырабатывается уже к 50–60 тыс. км, да и двигатель к этому пробегу заметно «устает». Мотоциклы, выпущенные в начале-середине 90-х (что в салонах, что по частным объявлениям) традиционно демонстрируют на одометрах не более 25 тыс. км — «свежо придание, да верится с трудом».
Ходовая часть и тормоза
Мотоцикл имеет диагональную алюминиевую раму. Дизайн весьма характерен для спортивно-туристических моделей: свойственные ему обтекаемые формы сразу говорят о спортивности, в то время как размер не оставляет сомнений по поводу его туристического предназначения.
Руль достаточно удобный, а по размерам он соответствует среднестатистическому в классе. По дизайну он ничем не примечателен. Вид литых колесных дисков весьма прост, но, в то же время, эстетичен и соответствует образу современного байка.
Маятниковая подвеска сзади снабжена моноамортизатором. Ход ее составляет 130 мм. Спереди в роли подвески выступает вилка телескопическая габаритами 41 мм, ход которой также 130 мм. В качестве заднего тормоза – диск диаметром 240 мм с двухпоршневым суппортом. Спереди – два диска, размерами по 300 мм. Они снабжены четырехпоршневыми суппортами.
012_moto_0211_040
(+) Наличие слайдеров на мотоцикле не просто желательно, а жизненно необходимо. При падениях мотоцикла страдает не только пластик (совсем недешевый даже «бэушный»), но и крышки двигателя, которые по этой причине являются серьезным дефицитом даже на крупных моторазборках.
ЗА ЧЕМ СЛЕДИТЬ? Главное — не забывать, что «зизер» — не спортбайк. Не пытайтесь ставить на нем рекорды скорости и ускорений. Залог долгой жизни двигателя и КП — плавность и мягкость. Довольно тяжелая машина с флегматичным мотором действительно не так резва, как аналогичные мотоциклы других фирм, но и предназначение у «зизера» совсем иное, чем, например, у не менее популярного Honda CB400SF. ZZ-R — машина для путешествий, то есть для плавного и равномерного движения на большие расстояния, а не городская «пулялка». Об этом нужно помнить постоянно.
В мотор лучше всего заливать качественную «синтетику», следить за ее уровнем и менять не реже, чем раз в 7–8 тыс. км пробега. Модель не отличается масляной «прожорливостью», однако неновый аппарат вполне может и «подъедать» смазку, а о чувствительности двигателя к ее количеству уже упоминалось выше.
ЧТО ПРИКУПИТЬ? Если мотоцикл не оборудован слайдерами, их стоит установить как можно скорее. Защищенность мотоцикла при падениях очень низкая. Это, пожалуй, единственная важная рекомендация. В остальном, глубина и направленность тюнинга обуславливается только вкусами и толщиной кошелька владельца. Поскольку ZZ-R400 полностью аналогичен 600-кубовому «европейцу» по габаритам и посадочным местам, на него можно найти немало тюнинга, начиная от кофровых систем и туринговых стекол до «гелевых» сидений и прочих фенечек разной степени полезности.
Ориентировочная стоимость запчастей Kawasaki ZZ-R400
| Наименование | Оригинальные запчасти, руб. | Неоригинальные запчасти, руб. |
| Ремкомплект II передачи (шестерня, копирный вал, вилка, прокладка поддона) | 11500 | — |
| Вал выжима сцепления | 1500 | 1000 (б/у) |
| Реле-регулятор напряжения | 6800 | 2000 (китайский noname) |
| Пластик передний (морда) | 26500 | 6000 (б/у) |
| Крышка двигателя лев. + прокладка | 3900 | 1800 |
| Крышка двигателя прав. + прокладка | 6300 | 4000 |
| Слайдеры | — | 2600 (Crazy Iron) |
Запчасти, преимущественно имеющиеся в наличии.
Запчасти, иногда присутствующие в наличии.
Запчасти, преимущественно привозимые на заказ.
КОНКУРЕНТЫ.
Начнем с того, что я купил старого японца, созданного только для внутрияпонского рынка. До него мототехникой не владел и практически ничего не знал. Опишу трудности и поделюсь накопленным опытом. Этому и будет посвящен мой первый пост.
Приобрел я свой мотоцикл в феврале 2014 года. Ужасное техническое состояние: сопливые сальники вилки, дохлые задние амортизаторы, рваное сидение, лысая резина, нерабочий задний тормоз, поломанный пластик, болтающаяся приборка, разной яркости лампочки в приборке, коротило левый поворот, кусок ржавого металла на тормозной машинке взамен нормальной крышки, залипала кнопка аварийки, это только первое впечатление. Но порадовала цена в 60 000 р. и продавец знакомы с автошколы человек. Поставил на учет, приехав своим ходом. Обнаружилась еще одна проблема сразу после постановки на учет – не могу закрепить номер. Окольными тропами поехал в гараж. Так как мотоцикл редкий, то какую-либо документацию найти невозможно. Чтобы хоть как-то понимать его устройство, я начал искать интернет магазины с каталогами запчастей, закачал картинки в телефон. В феврале особо не покатаешься по Туле, поэтому днем читал форумы, а вечерами после работы разбирал, изучал, чинил. Первым делом было перетянуто сидение. Мелочь, а как влияет на внешний вид. Запаял пластик нетипичным способом для мотоциклистов, но привычным для автомобилистов – впайка металлических сеточек строительным феном, запаял и корпус приборки. Неудача с креплением под номер была из-за отсутствия оригинального элемента заднего крыла, вместо которого стоял какой-то универсальный кронштейн, это стало понятно картинке из каталога запчастей. Я купил б/у крыло с фарой. С этих пор номер гордо занял свое место. Дальше было много мелкой работы, такой как: новые одинаковые лампочки накаливания взамен светодиодных разномастных в приборке; демонтаж китайского ксенона; мотоцикл был оборудован сигнализацией, но на нее не реагировал, в пульте обратной связи подпаял отвалившейся контакт антенны; мотоцикл ставился на охрану, но когда орал никак не моргал, купил 2 диода на рынке и подпаял к задним поворотникам; проверил все предохранители и вставил, номиналы как указаны на крышке блока; пришлось снимать левый пульт, где передние поворотники, разрезал чехол и вырезал кусок проводки левого поворота – из-за замыкания два провода спеклись через оплетку; снял бак, открутил краник и слил осадок; поменял внутренности заднего тормозного цилиндра; установил новую крышку тормозной машинки и новые детали под ней; выточил дубликат ключа из оригинальной новой болванки, заменил сальники в вилке; разобрал, почистил и смазал кнопку аварийки. Снял карбюраторы для разбора и чистки. Увидел, что скоро перетрутся газовые тросики. Заказал, пришли. Совсем не те. По каталогу те, а на деле не мои. Тут у меня был дикий ступор. Поехал в Москву, рылся в коробке неоригинальных тросиков, нашел хондовский подходящей длины и установил его. Как оказалось у меня стоял неоригинальный правый пульт, это я узнал из просмотра кучи фоток группы ZRX в соц.сети. Разборка ZZR 400-2 пришла мне на помощь. А до нее форумы и каталог запчастей с двумя рядом открытыми вкладками ZZR400 1996 и ZRX400 1996, где надо было произвести сравнение артикулов. Вообще пришлось узнать историю ZZR400. Ведь там два поколения, вроде от 1993 года идет второе. Вот именно со вторым поколением у нас несколько одинаковых деталей, но об этом чуть позже. Пульт первого поколения имел еще переключатель, а у второго только 2 кнопки – аварийная остановка двигателя и стартер. У ZRX две модели 400 и II, отличия только в обтекателе и форме фары. К этому времени я уже начал кататься на своем мотоцикле. Узнал, что надо его обслуживать по мануалу ZZR600. Как обслуживать и чинить по телепередаче «Мотогараж» (Драйв — Теле). По каталогу запчастей я узнал каким инструментом Кавасаки комплектует свои мотоциклы и купил аналоги в автомагазине, чтобы не остаться обездвиженным где-нибудь на трассе. Изучал проводку на коротыши. Нашел такую перемычку. Поиски новой не увенчались успехом, поэтому она было приукрашена черной изолентой. Сделал самодельный гидравлический синхронизатор из капельниц, но конструкция не жизнеспособна. Синхронизацию надо делать на прогретом двигателе, от этого трубка сильно размягчается и еще ее сжимает вакуумом. А еще они очень тонкие быстро происходит всасывание. Поэтому был сделан версия 2. Более серьезная. Для нормальной синхронизации компрессия должна быть в норме и без сильного разбега. Регулировка карбюраторов проводят для того, чтобы в цилиндры из карбов подавалась одинаковая по КАЧЕСТВО топливо-воздушная смесь (винты качества). Синхронизация делается для того, чтобы отрегулировать КОЛИЧЕСТВО смеси. Если трогались винты качества, то обязательно нужно сделать синхронизацию. Обычно после чистки, когда выкручиваются все жиклеры и винты. Лучше самому не лезть. Винты качества в идеале настраиваются с помощью газоанализатора. Но ни у кого его нет, поэтому есть такая инструкция: 1) Прогреть движок; 2) полностью закрутить винты; 3) выкрутить на 0,5-1 оборот; 4) выставить холостой ход на 15% больше от нормального значения (1500 об/мин); 5) винтами качества поднимаем обороты до максимально стабильных; 6) немного опускаешь обороты винтом холостого хода до (1500); 7) повтори шаг 5 и 6;
Хотя технически ZRX400 и ZZR400 очень похожи, но холостой ход, уровень поплавков в карбюраторе и давление шин отличаются. Так закончил я свой сезон. А зимой полез в двигатель. Но об этом в следующем посте. Мотоцикл я чиню для себя, это мое хобби, мое Лего. Мне не важен внешний вид, мне важна его работа, надежность. Он как любимые джинсы, потрепанные, но такие удобные.
Цветущая сакура от Hiroyuki Akahori.
История изменений
За время своего существования Кавасаки ЗР 400 прошел несколько этапов:
- 1990 – начало выпуска и продаж, первое поколение;
- 1993 – второе поколение;
- 1995 – небольшие перемены в системе зажигания, а также в электрике;
- 1997 – обновления приборной панели;
- 1998 – теперь есть защита вилки;
- 2007 – последний год производства.
Мотоцикл ЗЗР 400 от легендарного концерна надолго останется в памяти ценителей класса спортивно-туристических байков.




