Настройка карбюратора 4-х тактного скутера это, конечно, не откатка инжектора по широкополосному лямбде
, но также требует грамотного подхода и знаний. Для стабильной работы и экономичности китайские производители разработали и внедрили несколько конструктивных дополнений. Перед тем, как заняться регулировкой карбюратора на скутере 4т, не лишним будет знакомство с устройством этого прибора.
Основное предназначение главного прибора системы питания заключается в подготовке оптимальной смеси, поступающей непосредственно в цилиндр. Карбюратор состоит из таких узлов:
- Корпус.
- Дроссельная заслонка.
- Жиклеры.
- Поплавковая система.
- Дроссельная заслонка.
- Ускорительный насос.
- Пусковой обогатитель.
- Винты для настройки.
- Дозирующая игла.
Для создания обогащенной смеси при запуске холодного мотора китайские скутеры оборудованы пусковым обогатителем.
При отсутствии напряжения на его контактах игла полностью освобождает пусковой канал, что открывает путь для увеличенной дозы горючего в карбюраторный диффузор.
За показатели экономичности отвечает система отключения ХХ, которая отключает опцию холостого хода при нагрузке.
Не смотря на сложность конструкции, обслуживание карбюраторного узла вполне по силам начинающему механику. Перед началом процесса стоит установить проверенную свечу зажигания, а также хороший воздушный фильтровочный элемент. Регулировка карбюратора на скутере 4т должна производиться на прогретом двигателе. Процесс состоит из таких операций:
- юстировка холостого хода;
- наладка качества смеси винтом;
- регулировка иглой качества смеси;
- юстировка уровня горючего в поплавковой камере.
В конструкции карбюратора предусмотрен винт, который управляет оборотами мотора на холостом ходу.
При его закручивании канал подачи воздуха делается меньше, вследствие чего топливная смесь обогащается и количество оборотов увеличивается. Чтобы уменьшить этот показатель, соответственно, винт нужно выкрутить. Процесс контролируется при постепенном отвинчивании на каждые четверть оборота.
Соблюдение пропорций горючей смеси является главным условием для бесперебойной и стабильной работы скутера.
Данное условие выполняется, в зависимости от модели, посредством юстировки соответствующим винтом или иглой дроссельной заслонки. Обогащение смеси происходит при повороте винта по часовой стрелке или при поднятии иглы.
С точностью до наоборот выполняется процесс обеднения состава. На новом изделии считается нормальным положение винта в выкрученном состоянии на 1,5-2 оборота. Степень износа двигателя и наличие других поломок может расширить этот диапазон. Опытные механики проверяют точность настройки, проверяя свечу зажигания.
Количество топлива в поплавковой камере проверяется при запущенном моторе скутера путем поднятия вверх трубки подачи горючего. Несоответствие уровня техническим нормам устраняется регулировкой держателя иглы в небольших пределах. Регулировку карбюратора на скутере 4т можно считать законченной, если при пробной поездке отсутствуют нежелательные провалы и детонация.
четверг, 28 сентября 2021 г.
Схема карбюратора на 139qmb
Проверьте все уплотнительные кольца на предмет повреждений. Замените, если в это необходимо.
При чистке карбюратора, вытащите вакуумную диафрагму(вакуумная заслонка) перед использованием воздуха для продувки или растворителей для чистки. Это предотвратит повреждение диафрагмы.
Возможные неисправности карбюратора CVK
1.Двигатель трудно запускается
— Нет искры -Плохая компрессия
2. Нет топлива в карбюраторе
-Закрытая топливная магистраль -Закрытый топливный фильтр -Заблокирована вакуумная линия -Поврежденапорвана вакуумная линия -Засорилась впускная игла -Уровень поплавка установлен слишком высоко
3. Слишком много топлива для двигателя
-Загрязненный воздушный фильтр -Утечка воздуха в коллекторе -Неисправен обогатительный клапан -Заблокирован воздушный канал в карбюраторе
4. Слишком богатая или слишком белдная смесь воздуха / топлива
-Неисправен обогатительный клапан -Затянутый винт холостого хода -Поплавковая игла застряла или загрязнена -Высота поплавка слишком высокая или слишком низкая -Заблокированный канал воздуха в карбюраторе -Загрязнен воздушный фильтр -Утечка воздуха в карбюраторе или коллекторе
5. Двигатель не ускоряеться
-Плохая искра -Винт воздушной смеси слишком затянут -Неисправен ускорительный насос
6. Почти не реагирует на ручку газа
-Слабая искра/плохое воспламенение -Заблокированная топливная магистраль -Заблокированный топливный фильтр -Плохое топливо -Вода в топливе -Утечка воздуха в карбюраторе или коллекторе -Неисправен обогатительный клапан -Затруднено движение топлива в карбюраторе -Вакуумная заслонка застряла -Поврежденная вакуумная диафрагма -Грязь в карбюраторе
Снятие карбюратора
1. Снимите сиденье и емкость под ним. 2. Снимите правую боковую панель. 3. Отсоедините разъем кабеля пускового обогатителя. 4. Ослабьте винт сливного отверстия карбюратора и слейте топливо из поплавковой камеры. 5. Ослабьте хомуты во впускной трубке и впускном коллекторе. 6. Ослабьте трос дроссельной заслонки и вытащите его из суппорта и из сектора управления дроссельной заслонкой. 7. Отсоедините топливную магистраль от карбюратор. 8. Снимите воздухозаборную трубку воздухана и вытаскивайте карбюратор прямо обратно из впускного коллектора. 9. Снимите пусковой обогатитель с карбюратора.
Проверка обогатительного клапана
1. Проверьте уровень сопротивления. 2. Стандартное значение ниже 5, если холодно. 3. Подключите обогатитель к 12 В аккумулятору. 4. Плунжер должен выдвинуться на 3/8 дюйма(примерно 10 мм) через 5 минут.
5. Проверьте иглу и её рабочее место в карбюраторе. 6. При необходимости замените. 7. Установите обогатительный клапан в место установки и нажмите вниз. 8. Установите стопорное кольцо и завинтите винты.
Клапан отсечки воздуха
1. Отвинтите два винта траверсы, тросика дроссельной заслонки, и снимите её. 2. Отвинтите два винта клапана отсечки воздуха. 3. Снимите пружину и вакуумную мембрану. 4. Проверьте на износ мембраны, замените если необходимо. 5. Очистите каналы, удалите грязь.
Вакуумная камера
1. Выверните два винта и снимите крышку 2. Снимите пружину, заслонку мембраны. 3. Снимите топливную иглу. Будьте особенно осторожны, чтобы не повредить мембрану. Заменить если она повреждена.
Это интересно: Почему нельзя заправлять полный бак
1. Проверьте иглу на износ и замените, если необходимо.
Поплавковая камера.
1. Выверните три винта и снимите поддон поплавковой камеры. 2. Снимите штифт, который держит поплавок. 3. Выверните основной топливный жиклер, жиклер холостого хода и винт регулировки качества смеси холостого хода.
Будьте осторожны, чтобы не сломать топливные жиклеры и винт качества смеси. Подсчитайте количество оборотов при удалении винта качества смеси. При переустановке жиклеров и винта не затягивайте их.
4. Очистите жиклеры растворителем и сжатым воздух. 5. Очистите корпус карбюратора и все каналы сжатым воздухом.
1. Проверить поплавковую иглу и её седло, продуть от грязи. 2. Установите жиклер холостого хода, распылитель топливной иглы, основной топливный жиклер в карбюратор.
3. Установите поплавок. Отрегулируйте винт качества топлива. Стандартная настройка — 2 оборота, плюс или минус 1/4 оборота. 4. После установки поддона поплавковой камеры, проверьте уровень топлива с помощью небольшой линейки или калибратора. Правильный уровень топлива составляет 20,5 мм (0,807 дюйма).

Регулировка Карбюратора Хонда Дио 35
Содержание
Скутер сервис и ремонт
регулирование и настройки карбюратор скутер
регулирование карбюратор
Вы обязательно должны потратить его на теплый двигатель. Перед установкой карбюратор следует очистить и промыть, если есть какие-либо признаки засорения.
Устанавливая и регулируя, понимайте следующие манипуляции:
1) регулирование холостой ход; 2) регулирование
качество смеси специальный винт на карбюраторе; 3) регулирование качество смеси
метод перемещения иглы; 4) Регулировка уровня топлива в поплавковой камере.
Рассмотрим любую из этих частей отдельно.
регулирование холостой ход.
Он сделан на подогреве двигателя. Каждый карбюратор имеет натяжной винт, который позволяет добиться измеренной работы самоката во время простоя.
Рассмотрим размещение регулировочных винтов на разных карбюраторах:
регулирование карбюратор
Honda 1. Винт Винт; 2 винта
качество смеси
.
регулирование
время простоя на карбюраторе китайского скутера. 1. винт регулирования качества холостого хода; 2. фитинг для топлива; 3. форсунка, через которую можно усыплять топливо из поплавковой камеры; 4. резьбовая пробка поплавковой камеры.
разнообразие карбюратор
.
регулирование
время простоя и
качество смеси
. 1. вентиляционная труба; 2. винт регулирования скорости холостого хода; 3. винт, регулирующий состав бензиновой смеси.
Скорость поворота винта увеличивается. Отвинчивание. соответственно уменьшает скорость. Разогрейте самокат в течение 10-15 минут и дайте ему поработать на холостом ходу с помощью этого винта.
Регулировка качества смеси.
Очень важно, чтобы горючая смесь, на которой работает самокат, соответствовала пропорциям, установленным инженерами. Когда смесь чрезмерно бедна, самокат не работает должным образом, перегревается, теряет мощность. Основная часть регулировки карбюратора скутера Honda Dio 35 также модернизирована. С богатой смесью происходит увеличение расхода топлива, образование сажи камера сгорания, углевод обычно мокрый.
настройка качество смеси
Это можно сделать с помощью регулировочного винта или путем перемещения иглы в дроссель. На фото выше показано расположение винта
качество смеси. При его отсутствии регулировка производится только иглой.
Поворачивая винт по часовой стрелке, мы обогащаем смесь, откручивая против часовой стрелки стрелы. обнищали. Таким образом, при подъеме иглы игла обогащается, а опускание. обнищание. Комбинация обоих методов позволяет нам достичь наиболее благоприятных результатов во время настройки, однако, в отсутствие первых, таких как карбюраторы Suzuki Sepia и Suzuki Assress, мы останемся довольны только перемещением иглы. И спасибо вам за это.
Перед настройкой карбюратор
, Прогрейте самокат 10-15 минут, карбюратор должен быть чистым (внутри). В идеале считается работа двигателя качественное размещение винтов смесь в отвинченном положении за 1,5. 2 оборота. В зависимости от износа двигателя и других неисправностей этот диапазон может варьироваться. Самокат должен плавно ускоряться, без сбоев, при движении не должно быть рывков. Если вы не можете получить приемлемый скутер, снимите газ
карбюратор и поднимите или опустите иглу. Чтобы сделать это, удалить его из клапана и вставьте стопорное кольцо вниз канавок. Вы можете узнать качество вашей смеси и, следовательно, в каком направлении она должна регулироваться свечой, а точнее. цветом и нанесением на ее электроды. Регулировка уровня шланга карбюратора на Honda Dio Me Honda Dio 35. Если он черный, с большим количеством сажи, смесь насыщается. Если свеча почти белая, электроды перегреваются и тают. смесь плохая.
READ Honda S2000, Think City EV, Crosley Super Sports Самые крутые автомобили, которые я нашел для продажи в Интернете
регулирование уровень топлива в поплавковой камере.
Вы можете проверить уровень топлива в поплавковой камере с помощью прозрачной трубки, расположенной внизу. карбюратор
. Ослабьте кремовый винт,
поднимите трубку напротив карбюратора и проверьте уровень топлива. Обратите внимание, что уровень топлива должен проверяться мотором, работающим на скутере, труба всегда должна быть выше карбюратор. Уровень топлива должен быть чуть ниже края крышки.
Если она мала или велика, как правило, снять крышку и отрегулировать момент затяжки стопорной иглы путем изгиба (узкий) держатель иглы в очень небольших пределах.
Pit_Stop Workshop: Настройки карбюратор.
Ссылка на блог: Персональная страница на LCD: Команда по ремонту скутеров, помощь по.
Honda DIO AF 34. p6 тюнинг обзор карбюратор
Плейлист экшн камеры EKEN h9r ultra hd 4k Honda DIO
AF 34.
Следует отметить, что, если карбюратор не промывался в течение длительного времени и имеются признаки загрязнения его каналов и форсунок, если бензин заполнен или на октан ниже, чем рекомендует производитель (например, A-80), если установленные форсунки и другие детали не соответствуют рекомендованным заводским параметрам, то перед установкой карбюратор
все это должно быть устранено, поскольку это продолжается
регулировка
Это будет только временно, и вы не достигнете желаемого результата.
Вы также можете прочитать другие статьи по теме:
на «регулирование и настройки карбюратор скутер «
как почистить инжектор для сузуки по адресу v50g? 1 литр из 25км начал кушать. 70 км шесть месяцев назад. где их собирают? это можно сделать вручную?
администратор ответил: 25 марта 2012 г. в 12:17
В вашем случае лучше обратиться в сервисный центр, потому что работа довольно деликатная.
Роман ответил: 23 мая 2021 года в 11:38
Добрый день с проблемой хода 16 с впуском воздуха в карбюратор через фильтр для перелива карбюратор
Sergiy ответил: 12 марта 2021 года в 8:31
Добрый день. у меня есть Honda
34 на средней скорости, он теряет скорость впереди, пока не остановится на высокой скорости. Работает нормально, в чем причина
Сан санич ответил: 15 марта 2021 года в 11:19
Причина в карбюраторе. В определенном положении дроссельной заслонки необходимое количество смеси не готовится. Нужно снимать, мыть, смотреть.
READ Регулировка Фар Chevrolet Aveo Т200
Деннис ответил: 2 мая 2012 года в 21:19
что может быть, когда заправляемся, скажем, 2 литра, уровень бензина показывает в 2 раза меньше бензина ?? и я начал есть много газа, не наблюдая утечки газа, но есть много, как уменьшить потребление бензина? и может ли забытый глушитель вызвать большой расход? мопед Хонда
35, спасибо!
администратор ответил: 3 мая 2012 года в 21:38
35 Сам Дио много не ест. Засоренный глушитель может легко привести к перерасходу средств. Датчик уровня топлива отвечает за уровень бензина. Хонда аф-35 карбюраторная. Honda Dio и AF-35. И вот теперь карбюратор настроен сам. Скорее всего, проблема с отображением является проблемой.
Виктор ответил: 6 мая 2012 года в 12:57
от меня карбюратор
бензин заливается из небольшого шлака и самокат сразу же кушает! Что мне делать? Я чистил карбюратор, бак тоже!
Виктор ответил: 6 мая 2012 г. в 14:51
У меня буря 50
Виктор ответил: 6 мая 2012 года в 15:12
Виктор ответил: 6 мая 2012 года в 15:16
Что мне делать? Может игла плохая или! Не знаю!
Виктор ответил: 6 мая 2012 года в 19:27
заправлен карбюратор газом! Плохо или карбюратор нужно почистить!
администратор ответил: 8 мая 2012 года в 21:10
Второй вариант. И большое внимание должно быть уделено поплавковой камере.
администратор ответил: 8 мая 2012 года в 21:00
Это наводняет. Необходимо удалить карбюратор и еще раз тщательно промыть, проверить состояние запирающей иглы поплавковой камеры.
Виктор ответил: 9 мая 2012 года в 12:00
Виктор ответил: 9 мая 2012 года в 12:43
но как проверить, хорошо это или нет!
Виктор ответил: 10 мая 2012 г. в 21:31
Но сколько новый карбюратор стоит на Storm L?
администратор ответил: 10 мая 2012 г. в 21:35
Не более 30 долларов. Регулировка карбюратора Honda Dio 35 ZX. Все, что связано с ремонтом скутеров. ОБЯЗАТЕЛЬНО. Хотя остальное на совести продавца.
Виктор ответил: 11 мая 2012 года в 14:12
что нужно сделать, чтобы игла не залипала!
администратор ответил: 13 мая 2012 г. в 21:28
О какой игле ты говоришь? Игла для запорного дросселя или поплавковой камеры?
Виктор ответил: 14 мая 2012 г. в 20:29
дроссель как! Я забыл эти имена!
Никита ответил: 7 марта 2021 в 19:52
Затянуть винт на поддоне
Александр ответил: 8 июля 2012 года в 6:10 вечера
Ребята нужен совет. Нонда ЧАСТЬ 27. Начинается нормально. Ускорение это хорошо. Пробег 500-600 метров. Он начинает дергаться и умирает. Уровень топлива устанавливается в соответствии с рекомендациями вашего сайта. Когда это не может быть остановлено, вам просто нужно снять воздух и закрыть углевод рукой. Это начнется снова. Он проходит эти 500 метров и стендов. Что искать. Поршень нормальный, поменял 2 месяца назад. Сжатие хорошо? Виноваты ли сальники коленвала? В коленвале нет коленчатого вала. Нет чистого дыма из выхлопа. Я был в порядке до вчерашнего дня. Буду очень признателен за вашу помощь. С уважением Александр.
READ Замена Сайлентблоков Поперечной Тяги Уаз Патриот
администратор ответил: 10 июля 2012 г. в 20:58
И все дело в уровне топлива в карбюраторе. Вам нужно немного поднять свой уровень, ваш уровень слишком низок. Проблема будет решена. Снимите карбюратор, открутите крышку камеры поплавка, переверните карбюратор и обратите внимание на расположение поплавка. В перевернутом положении он должен быть параллелен карбюратору. Вы, наверное, немного выше. Согните антенны так, чтобы поплавок выровнялся или опустился на пару мм ниже параллельного уровня. Там каждый мм имеет значение.
Александр ответил: 11 июля 2012 года в 7:05
Всем привет. Спасибо за ответ. Я был уверен в вашей компетентности. Вчера, прежде чем пришел ваш ответ, я установил уровень топлива выше и самокат поехал. Но я чувствую, что уровень немного выше. В соответствии с рекомендованным вами методом обнаружения прозрачной трубки оказалось, что уровень где-то выше 5-7 мм нижней крышки. Но я боялся прикоснуться к нему, это была радость. Да и жене пришлось идти на работу. Свеча приобрела обычный цвет. Я не знал, как ты ответил. Я не поворачивал крышку карбюратора. Ваша великая практика чувствуется. У нас есть все мастера, они заливают это так: они сгибают антенны, а затем закачивают топливо и смотрят на уровень. Это должно быть чуть больше, чем изгиб в поплавковой камере. Я не могу об этом упомянуть, но я думаю, вы понимаете, о чем я говорю. Он не работал для меня, он всегда был маленьким, потому что самокат был тупой, что нормально. И это заняло у меня 3 дня. Я поставил его в соответствии с вашими рекомендациями и поставил родной поплавок на место. У него есть выемка под иглой. Мастера сказали мне, что это разработка и поставили китайский поплавок. Но, насколько я понимаю, это должен быть перерыв. Ответ. И еще опрос: с большим трудом я достал новый поплавковый клапан. Это работало около месяца, и в конце концов скутер застрял. При разборке оказалось, что резиновый наконечник остался в канале, а игла оказалась на поплавке. Это было просто неисправно, что я должен был поставить свою семью. Но время от времени я заправлялся топливом и заливал углеводы. Какой клей может приклеить резиновый наконечник к игле? Я склонялся к супер-клею или эпоксидной смоле, но сомневался, что каналы засорятся, если газ растворяет клей. Или есть другой способ? Или просто выбросить? Еще раз спасибо за быстрый ответ и правильный хороший совет, все подтвердилось. Ребята, всем рекомендую этот сайт. Человек, который действительно хорошо осведомлен и имеет большой практический опыт.
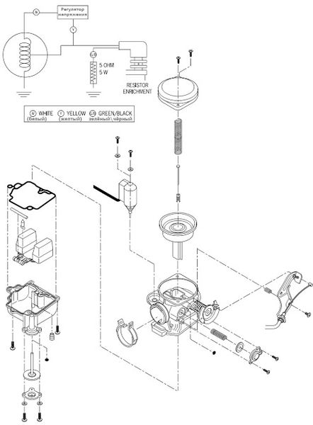
Устройство карбюратора скутера 4т
Начнем изучение работы карбюратора с ускорительного насоса
Ускорительный насос срабатывает только при резком открытии ручки «газа», когда от скутера нужно добиться резкого ускорения, системы карбюратора имеют некоторую инертность и не могут своевременно отреагировать на ручку «газа», поэтому чтобы не было провала при резком открытии «газа» конструкторы внедрили в карбюратор дополнительный модуль который в нужный момент впрыскивает порцию топлива, что позволяет сглаживать характеристику работы двигателя во время динамичного разгона.
Укорительный насос в разобранном виде
Привод ускорительного насоса
Каналы ускорительного насоса
Общее устройство карбюратора
Карбюратор без верхней крышки
Ни когда не пытайтесь растянуть пружину, ее усилие строго тарировано.
Винт количества (качества) топлива холостого хода
Винт «качества» в сборе, при обратной установке винта соблюдайте правильный порядок установки уплотнительных колец, сначала ставится пружина затем алюминиевая шайба и резиновое уплотнительное кольцо.
Для обеспечения большей экономичности двигателя, в карбюратор внедрили систему отключения холостого хода, данная система отключает холостой ход когда он уже не нужен, что в конечном счете положительно сказывается на общей экономичности двигателя.
В карбюраторе для управления работой системы отключения холостого хода есть специальный канал через который разряжение передается на мембрану которая при помощи штока открывает или закрывает клапан, тем самым отключает или выключает систему холостого хода.
Строение карбюратора
Стоит отметить, что местонахождение карбюратора в разных моделях скутеров тоже разное. Поэтому, прежде, чем приступать к его регулировке, необходимо как следует изучить все узлы и агрегаты своего транспортного средства, их характеристики и местоположение. Строение же, в отличие от местонахождения, карбюратора является примерно одинаковым.
Карбюратор включает в себя следующие составляющие элементы:
- трубку Вентури;
- заслонку с иглой;
- поплавковую камеру;
- систему холостого хода;
- пусковой обогатитель;
- золотник;
- ускорительный насос.
Трубка Вентури
Итак, первый элемент карбюратора под названием трубка Вентури отыгрывает наиболее важную роль в его работе. Данная деталь характеризуется диаметром, который является разным на протяжении всей длины трубки. Это связано с тем, что происходит ее сужение к центру, после чего вновь следует расширение. Именно самое узкое место трубки предназначено для прохождения потока воздуха через нее.
Характерное сужение трубки способствует образованию низкого давления воздуха, которое выравнивается к месту расширения трубки. Если внутри данной трубки расположить еще одну трубку меньшего размера с бензином, то, бензин по пути в зону пониженного давления начнет покидать маленькую трубку, при этом распыляясь и улетучиваясь, взаимодействуя с потоком воздуха внутри большой трубки.
Заслонка с иглой
Заслонка с иглой устанавливается прямо в центре описанной выше трубки Вентури. Она необходима для того, чтобы регулировалось количество смеси, которое поступает в камеру сгорания. Данная регулировка осуществляется посредством нажатия на газ. Однако, работа заслонки невозможна без иглы. Именно она определяет объем поступившего в двигатель топлива. Так, когда пилот давит на газ, заслонка начинает двигаться, тем самым поднимая иглу, за счет чего и поступает нужное количество бензина. Одним словом, чем сильнее давится на педаль акселератора, тем больше открывается заслонка, а соответственно, тем больше поступает топлива в камеру сгорания.
Поплавковая камера
Для того, чтобы двигатель не заглох, в него необходимо постоянно подавать топливо, определенное количество которого должно находиться в трубке. Для этого была придумана поплавковая камера, работа которой осуществляется по принципу унитазного бачка. Т.е. внутри камеры есть поплавок, который перемещается в нижнюю ее часть сразу после того, как уровень бензина в трубке падает. Таким образом, смещение поплавка обеспечивает открытие специального клапана, через который и попадает топливо. После наполнения, поплавок поднимается вверх, тем самым закрывая клапан. Это и обеспечивает беспрерывную и правильную подачу топлива.
Система холостого хода
Система холостого хода в карбюраторе является ответственной за холостой ход. Однако, ее работа осуществляется не только на холостых, но и на малых оборотах. В случае с холостыми оборотами, подача топлива происходит по другому каналу карбюратора, который находится за ограничителем. Система холостого хода состоит из:
Винт системы
Отвечает за объем воздуха, который проходит через всю систему, тем самым регулируя качество смеси, попадающей в камеру сгорания. Закручивая и откручивая данный винт, пилот может регулировать количество воздуха. Соответственно, тем меньший объем воздуха попадает в систему, чем сильнее закручен винт, и наоборот. Получается, когда воздуха много, то топливо является более бедным, когда мало – более богатым, поскольку в нем больше бензина, чем воздуха.
Специальный канал
Сквозь него топливная смесь выходит из карбюратора. Данный канал перекрывается специальным клапаном в момент, когда открывается дроссельная заслонка карбюратора. Клапан является важной частью, поскольку он предотвращает негативное влияние системы на работу силового агрегата скутера на высоких оборотах.
Жиклер
Отвечает за настройку.
Стоит отметить, что система холостого хода карбюратора является самой уязвимой его частью. В связи с этим, зачастую, причиной неправильной работы карбюратора являются вышедшие из строя жиклеры с мелким сечением. Это связно с тем, что они склонны к очень быстрому засорению.
Таким образом, зная строение и принцип работы карбюратора, можно приступать к его регулировке.
Регулировка карбюратора скутера 4т
Одной из наиболее важных деталей любого скутера считается карбюратор, именно он отвечает за правильную подачу топлива, а поэтому следует иметь правильно настроенный карбюратор. Изначально производитель делает скутера, которые бы подходили под определенную климатическую обстановку, а с нашими переменами погоды топливная система может не справляться, в результате чего карбюратор работает неправильно и чаще всего не держит обороты. Именно поэтому современные скутера оснащаются различными регулировочными болтами, чтобы владелец транспортного средства смог настроить двигатель под нужные параметры, и регулировка карбюратора скутера не вызывала трудностей.
Карбюратор — это определенная деталь скутера, которая отвечает за приготовление топливной смеси, при этом смешивается бензин с воздухом. Стандартно соотношение бензина и воздуха составляет 1 к 15, поэтому любой карбюратор должен выдавать эти показатели. Также в зависимости от данного соотношения смесь может быть разной, в вышеуказанных параметрах она будет оптимальной. Но если вы хотите получить смесь, которая бы не глушила двигатель на холостых оборотах, делайте соотношение 1 к 13.
После этого можно назвать смесь «богатой». И, наконец, последний тип — бедная смесь. Это наиболее худший вариант, где соотношение топлива с воздухом составляет 1 к 17. При бедной смеси есть риск образования нагара в поршне и полная его поломка, поэтому дальше мы расскажем о том, как происходит регулировка карбюратора на скутере 4т.
Принцип работы карбюратора
Карбюратор бывает как чисто механическим, так и включающим электронику, но принцип работы не меняется. При работе двигателя в камере сгорания создается пониженное давление, и воздух затягивает в двигатель, очищая воздушным фильтром. В этот поток воздуха распрыскивается бензин, превращаясь во что-то похожее на аэрозоль. Топливная смесь попадает в камеру сгорания, где воспламеняется искрой свечи и двигает поршень. Цикл повторяется.
Для бесперебойной работы двигателя топливная смесь должна быть оптимальной. Важно учитывать не только модель двухколёсного друга, но и климатические условия и износ двигателя. Установленный на мопеде карбюратор всегда подает одну и ту же порцию топлива, независимо от набранных оборотов и времени года. Придётся регулировать устройство вручную.
Делать это часто не нужно. Но, если полениться, последствия могут быть неприятными: повышенный расход топлива, неисправная свеча, износ двигателя из-за перегрева. Чтобы не допустить подобного, нужно следить за состоянием скутера. Если двигатель начинает “переедать”, заводиться с трудом, а из выхлопной трубы идёт чёрный дым, стоит провести проверку. Возможно, время правильно настроить карбюратор, хотя проблема может быть и в других системах.
Регулировка холостого хода
Во время холостого хода двигатель работает нормально, но не тратит топливо, чтобы заставить крутиться колёса. Когда вы нажимаете ручку газа, в карбюраторе поднимается заслонка, препятствующая подаче топливной смеси. Чем выше заслонка, тем больше топлива успеет попасть в камеру сгорания. Соответственно, на холостом ходу, в камеру топливной смеси, попадающей в камеру, достаточно лишь для того, чтобы скутер не заглох. Если регулировка работает неправильно, то на холостых оборотах двигатель будет потреблять больше бензина, чем необходимо. А бензин всё-таки стоит денег. К тому же из-за этого происходит перегрев двигателя.
Винт регулировки холостого хода есть на каждом карбюраторе, вам остается лишь найти его и подобрать подходящую отвёртку. Точное расположение винта для вашей модели всегда можно найти в интернете. Например, регулировка карбюратора на скутере хонда дио проходит без каких-либо проблем. У её оригинального карбюратора винт регулировки холостого хода находится по центру, а винт качества смеси – слева. А вот на китайском мопеде, скорее всего, стоит карбюратор с единственным винтом, который отвечает за настройку холостого хода. Последовательность действий не вызовет затруднений:
- Включите двигатель и дайте ему прогреться. Не выключайте.
- Чтобы поднять обороты, поверните винт по часовой стрелке.
- Чтобы опустить, соответственно, против часовой.
- После каждого поворота дайте двигателю поработать две минуты.
- Если он работает ровно, то холостые обороты настроены.
Регулировка качества смеси
Когда топливная смесь в цилиндре сгорает, соотношение бензина к кислороду должно быть строго 1/15. К сожалению, карбюратор не может знать, сколько точно кислорода находится в воздухе. Например, его гораздо больше в холодном, зимнем воздухе, и если карбюратор настраивался в летнее время, может быть залита свеча.
Если настройки таковы, что бензин смешивается с кислородом в соотношении около 1/13, то смесь называется богатой, а скутер теряет мощность. Такая, сгорая, оплавит электроды свечи зажигания. Если же соотношение составляет 1/17 , то на свече и стенках камеры останется чёрный нагар. От него нужно очистить. Не забудьте вывернуть свечу, а, почистив, поставить обратно.
Отличить богатую смесь от бедной сможет любой. Если электроды свечи белые и слегка оплавились, то это бедная смесь. Она сгорает целиком, но производит слишком высокую температуру. Богатая топливная смесь сгорает не полностью, камера и выхлопная забиваются нагаром. Из трубы идёт чёрный дым. Кроме того, наблюдается перерасход бензина.
Чтобы отрегулировать качество смеси:
- Прогреваем двигатель. В отличии от прошлого раза, теперь мы его заглушим.
- Закручиваем нужный винт по часовой стрелке упора. У скутера хонда дио нужный винт слева.
- Теперь поворачиваем винт на полтора оборота назад.
- Заводим скутер и ждём две минуты. Если он работает ровно, то всё хорошо. Если обороты повышаются, транспорт нужно заглушить и открутить винт на 1/4 оборота назад. Повторяем, пока не добьёмся результата.
Этого может оказаться недостаточно. В таком случае поможет настройка иглы карбюратора.
- Сначала её нужно достать. Игла тонкая, поэтому рекомендуется использовать пинцет.
- На ней находится стопорное кольцо, имеющее пять положений. Если кольцо поднять вверх, топливная смесь станет богаче, вниз – беднее. Аккуратно передвигаем кольцо.
- Собираем скутер обратно.
Регулировка уровня топлива в поплавковой камере
Допустим, мы хотим настроить карбюратор на мопеде альфа, потому что он заливает свечу. Разбираемся, в чём дело. Из поплавковой камеры бензин подается в воздушный поток, где смешивается с кислородом. Если уровень топлива в камере выше необходимого, топливная смесь может залить свечу. Бензин попадёт на контакты электродов, воспламенения не произойдёт и наш альфа 72 куб заглохнет.
Уровень топлива автоматически регулируется поплавком в камере. Когда бензин убывает, поплавок опускается и открывает клапан, из которого поступает новое топливо. Чтобы проверить, правильно ли он работает, нужно взять жиклер, исходящий снизу, и вывести его наверх. Если бензин пошёл дальше, значит, карбюратор переливает топливо.
Причины могут быть разные:
- В камере много налёта. В этом случае нужно разобрать карбюратор и отмыть налёт. Рекомендуется промывать камеру с бензином, он хорошо отмывает сам по себе, и не страшно, если после ремонта он попадёт в двигатель.
- Что-то мешает клапану закрываться до конца. Скорее всего – грязь. Карбюратор придётся разобрать и удалить всё, что мешается.
- Клапан сломался. Тут уж ничего не поделаешь, придётся покупать запасные детали.
- Поплавок не стоит вертикально. В этом тоже может быть проблема. Если язычок поплавка неправильно согнут, то он не будет вовремя закрывать клапан. Язычок можно подогнуть, но действовать нужно осторожно, чтобы не сломать.
Блоки скорости в карбюраторе
Может быть и другая, ещё более странная проблема. Поскольку многие производители стремятся ограничить скорость своих скутеров, чтобы не нарушать закон об экологии в Европе и Японии, в конструкции скутеров можно встретить интересные модификации. Что интересно, это в большей степени касается дорогих марок, но и на китайских мопедах, например, орион встречается.
В поплавковой камере механики находят “отбойник”. Он перекрывает подачу топлива, когда давление достигает установленного производителем предела. Таким образом, скутер не может разогнаться до своих максимальных скоростей. Отбойник потребуется удалить.
В другом случае, дроссельная заслонка может быть чуть длиннее, чем это необходимо. Она перекрывает воздушному потоку, даже когда поднята наверх. Скутер опять не может разогнаться. Заслонку можно сточить, но если перестараться, двухколёсный друг лишится холостого хода. Впрочем, подобного рода фокусы свойственны в основном китайским мопедам. Куда вероятнее встретить такую заглушку в 139 gmb, чем в дорогой японской марке, где блок стоит в электронике, да и карбюратор не используется.
Регулировка на средних и высоких оборотах
В некоторых случаях, даже если проблему с регулировкой качества смеси удастся устранить с помощью винта, при повышении оборотов она вернётся. Это означает, что при повышении давления в поплавковой камере возникает проблема в игле или жиклере. Один из недостатков китайского скутера в том, что с ним такое случается чаще. Чтобы исправить проблему, придётся разобрать карбюратор. Работа долгая и кропотливая, но альтернативой остается только везти железного коня в сервис.
- Далее, аккуратно достаём иглу. Перемещаем стопорное кольцо вверх, если хотим обогатить топливо. Или вниз, если хотим его обеднить.
- Собираем обратно, разгоняем обороты, проверяем. Если на средних всё хорошо, проверяем на высоких.
- Проблема ещё осталась? Снова разбираем, перемещаем стопорное кольцо, повторяем.
- Если и это не помогло, значит, требуется заменить жиклер. Если нужно обогатить топливную смесь, то новый должен быть большего диаметра. Если нужно обеднить – соответственно меньшего.
Замена жиклера сложная операция, ошибка в которой может сделать карбюратор неисправным. Если есть неуверенность в своих силах, лучше сразу отвезти двухколёсного друга в ремонт. Хотя есть скутеристы, способные на такое. Из тех, кто еще помнит скутер Карпаты.
Регулировка карбюратора 4-х тактного скутера
Вообще количество тактов в скутере играет не столь важную роль при регулировке, ведь жиклеры практически везде одинаковые (топливный и холостого хода), поэтому процесс происходит по индивидуальным показателям скутера.
Важно
: проводиться регулировка карбюратора скутера 4т 80 кубов или другого объема только на прогретом двигателе. Также важно учитывать, что перед регулировкой обязательно карбюратор нужно разобрать и почистить от грязи.
Настройка карбюратора включает в себя несколько манипуляций:
- Регулировка уровня топлива;
- Настройка холостого хода;
- Регулировка качества смеси при помощи жиклера;
- Регулировка качества смеси, путем установки положения иглы.
Давайте начнем с наиболее простого действия — регулировки холостого хода.
Для чего нужно производить регулировку карбюратора – причины.
- Мопед вяло разгоняется, слышны хлопки в карбюраторе, или в выхлопной трубе;
- Провалы мощности при резком прокручивании ручки газа;
- Мопед плохо заводится;
- Повышенный расход бензина;
- Черный, или белый нагар на свече зажигания;
- Производилась разборка, чистка карбюратора, или ремонт двигателя.
Если у вас есть одна из выше перечисленных причин, то нужно произвести регулировку карбюратора.
Регулировку нужно производить на горячем двигателе. Заведите двигатель, покатайтесь на мопеде минут 10.
Еще убедитесь, что у вас нет подсоса воздуха в соединительных местах карбюратора, у вас стоит чистый воздушный фильтр и исправна свеча зажигания.
Я буду показывать настройку на карбюраторе PZ 19, который установлен на 110 кубовых двигателях. В принципе, по устройству все карбюраторы схожи. У всех есть два винта. Это винт качества и винт количества топливной смеси.
На рисунке стрелками указаны два винта. Это винт качества и винт количества. Этими винтами регулируется холостой ход.
Регулировка холостого хода на скутере
После того как двигатель будет прогрет можно проводить настройку холостого хода, делается это при помощи специального винта, расположенного на любом карбюраторе. Холостой ход регулируется для того, чтобы скутер правильно и бесперебойно работал при простое. Расположение винта может быть разным, это зависит от модели скутера. Например, у скутера Honda винт расположен по центру, с левой стороны установлен винт качества смеси.
Процесс регулировки достаточно прост, как только скутер будет заведет, вращайте винт, где при закручивании обороты будут увеличиваться, открытие жиклера уменьшает обороты. Опять же, делается регулировка только на хорошо прогретом двигателе.
Зачем нужно регулировать
В процессе регулировки выполняется настройка иглы карбюратора скутера, положение которой влияет на пропорции топливовоздушной смеси, а также ряд других регулировочных работ.
Настройка иглы карбюратора скутера выполняется в процессе регулировки
Каждая операция по настройке по-разному влияет на работу двигателя и подготовку топлива:
- настройка холостых оборотов обеспечивает стабильную работу заведенного двигателя при отключенной трансмиссии;
- изменение качества воздушно-бензиновой смеси с помощью специального винта позволяет выполнить ее обеднение или обогащение;
- регулировка положения карбюраторной иглы влияет на изменение качества топливной смеси;
- обеспечение стабильного уровня бензина внутри поплавковой камеры позволяет избежать заливания свечей.
Силовой агрегат с отрегулированным карбюратором работает стабильно в любых условиях, отличается экономичностью, приемистостью, развивает паспортную мощность и держит обороты, а также не доставляет проблем своему хозяину.
Настройка уровня топлива
Данная процедура также проводиться при помощи жиклера, расположенного в самом низу на поплавковой камере. Первым делом нужно открутить данный винт, но бензин не должен выйти из трубки. Трубка располагается ниже жиклера, как правило, прозрачная. Она и показывает уровень топлива, поэтому поднимите ее в вертикальном положении. Если уровень топлива в поплавковой камере нормальный, бензина в трубке будет немного меньше бордюрчика крышки.
Важно
: проверять данный показатель нужно только на прогретом заведенном двигателе.
Регулировка уровня топлива в карбюраторе скутера 4т проходит следующим образом: снимаем поплавковую камеру и находим внутри иглу. На игле есть отметки и небольшое запорное кольцо. Увеличить уровень топлива можно установкой кольца выше данного показателя, уменьшить противоположным действием.
Это интересно: Стоит ли покупать восстановленные зимние шины?
: Регулировка уровня топлива в карбюраторе скутера
В первую очередь падает мощность двигателя. Это может наблюдаться и вследствие износа систем мотора.
Цилиндропоршневая группа может потребовать замены. Однако неправильно настроенный карбюратор также способен влиять на мощность работы мотора. Если он подает в смесь больше воздуха, чем требуется, топливо становится обедненным. Это приводит к перегреву и снижению мощностей. Если двигатель отказывается работать вообще, это тоже может быть свидетельством неправильной работы карбюратора.
Однако, чтобы найти причину поломки, потребуется проверить несколько основных систем. Если мотор заводится, но глохнет, это может быть следствием засора в карбюраторе. В любом случае водитель должен ответственно подойти к вопросу решения любой проблемы, связанной с его транспортным средством.
Регулировка качества смеси на скутере
Выше мы указали, что смесь может быть оптимальной, богатой или бедной. Так вот, производители определенной модели скутера рекомендуют использовать заданные пропорции, а значит рано или поздно придется проводить регулировку. На большинстве скутеров 4т имеется регулировочный винт, в противном случае процедура происходит при помощи иглы в дроссельной заслонке. Обогащение смеси происходит путем прокрутки винта по часовой стрелке, когда винт крутиться против часовой стрелки, смесь становиться бедной. Регулировка показателя на скутерах без винта качества смеси происходит путем увеличения или уменьшения высоты иглы.
Как настроить карбюратор на скутере самостоятельно
139Qmb мануал русский
Его регулировку начинают с технического обслуживания:
- устройство надо вынуть, продуть и очистить от загрязнений, каналы и жиклеры рекомендуется промыть бензином, остатки загрязнений снять с помощью продувки сжатым воздухом;
- если резиновый патрубок уже «обзавелся» трещинами, то их можно замазать герметиком;
- все загрязнения воздушного фильтра следует удалить или заменить его на новый;
- выхлопная система должна быть осмотрена и прочищена;
- собрать очищенный аппарат и установить на место.
Работа двигателя скутера во многом зависит от качества топливной смеси. Двигатель перегревается, неправильно работает и теряет мощность при бедной смеси, а богатая смесь провоцирует избыточное потребление горючего, концентрацию нагара и перелив горючего. Проверить работу карбюратора можно по цвету извлеченной свечи – если она черного цвета, то это свидетельствует об излишне богатой используемой топливной смеси, а белого – о бедной смеси, их качество и придется отрегулировать при настройке. Коричневый цвет свечи говорит о нормальном качестве топлива, в этом случае механизм не нуждается в настройке.
Для регулировки необходимо:
- завинтить болт качества топливной смеси (КТС) сначала до конца, потом открутить до 0,5 оборота, при этом холостой ход выставляется в среднее положение;
- завести скутер – если техника не заводится или обороты низкие или высокие, то настройкой холостого хода увеличить их (при низких оборотах) или уменьшить (при высоких);
- откручивать постепенно болт КТС, пока мотор не наберет максимальных холостых оборотов и вновь закрутить на 0,25-0,5 оборота;
- завести мотор и проехать – если при начале движения есть перебои и провалы, то требуется вновь закрутить болт КТС на 0,25 оборота.
Когда болт поворачивают по часовой стрелке, смесь обогащается, а против – обедняется. Если обнаружен перерасход горючего, то игла золотника перемещается на одно деление вниз и регулировка проводится с самого начала. При нехватке горючего, наоборот, игла перемещается на одно деление вверх и опять-таки повторяется процедура регулировки.
Правильно настроенная работа системы двигателя любого транспортного средства должна обеспечить ему плавный, без рывков и провалов, ход. Как наиболее точно настроить карбюратор на Вашем скутере, подскажет специалист, тем не менее, мы надеемся, что наши рекомендации помогут Вам справиться с этой несложной работой самостоятельно.
Снимаем карбюратор
На первом этапе откручиваем 4 болта и снимаем подседельный отсек, на некоторых моделях еще отвинчивают крышку маслобака. Потом снимается воздушный фильтр, для чего освобождаем винт хомута крепления манжеты и 2 болта на 10, фиксирующие корпус. Резиновую манжету корпуса фильтра с карбюратора можно стянуть с определенным усилием. Теперь надо отсоединить бензиновый и масляный шланги. С этой целью петли хомутов сжимаются и стягиваются два шланга. Ключом на 10 отворачивают ближний болт крепления к патрубку впуска. Откручиваем второй болт внутри. На данный момент уже освобождены 2 шланга, откручены 2 болта крепления. Сейчас надо снять устройство, отвинтить крышку дроссельной заслонки и вынуть дроссель. Для окончательного освобождения устройства надо снять с фиксаторов-защелок еще защитную крышку пускового обогатителя и открутить 2 винта с прижимной скобы обогатителя.
Устройство и подключение карбюратора скутера Yamaha
Скутер Ямаха Джог является одним из самых популярных на российском рынке: это объясняется простотой и надежностью модели, ее доступной ценой. Устройство карбюратора данного скутера стандартно, поэтому разобраться с ним можно, пользуясь описанием, данным выше. Однако при его установке у неопытных владельцев могут возникать некоторые сложности, с которыми мы поможем разобраться.
Устройство стоит рассмотреть более подробно. Это поможет понять не только то, как регулировать карбюратор и правильно пользоваться им, но и как правильно его подключить.
- К корпусу карбюратора крепится пусковой обогатитель: он небольшого размера, размещен в пластмассовом корпусе. Он имеет два болта с уплотнителями из резины. Питание обогатителя происходит через 12 В аккумулятор. Это устройство используется для запуска мотора на холодную, так как позволяет обогатить смесь кислородом автоматически.
- Штуцер подсоединяется к шлангу подачи топлива, идущему от краника бензобака.
- Если обогатитель надо снять, потребуется не только открутить болты, но и отсоединить электрический клапан, к которому идет всего два провода.
- Смесительная камера имеет специальную крышку, к которой крепится болт. Если его открутить, можно добраться до дроссельной заслонки. Это позволяет проверить, присоединен ли тросик газа, а также добраться до иглы, регулирующей уровень подачи топлива и воздуха. Если карбюратор нуждается в чистке, обязательно потребуется вытащить дроссель.
- Разъем обогатителя имеет выходы на два провода, желтый подключен к генератору, зеленый идет на массу. В принципе, если перепутать полярность, ничего не случится, и устройство все равно будет работать.
- Для работы обогатителя должно приходить напряжение с аккумулятора. При нагреве элемента внутри устройства игла будет выдвигаться.
- С воздушным фильтром соединен специальный штуцер, между ними есть колено из резины.
- На корпусе карбюратора расположен несколько винтов, при помощи которых можно регулировать холостые обороты и качество смеси.
- Поплавковая камера прикручивается снизу и имеет 4 болта крепления.
- Существует дополнительный штуцер для подачи масла: он самый маленький.
- Второй штуцер нужен для связи с атмосферой, на него ничего надевать не нужно.
- К третьему подключается бензошланг. Он идет к вакуумному крану бензобака.
Разбираем карбюратор
Прежде чем развинчивать карбюратор, с него очищают внешнюю грязь – масло, пыль, песок. Это удобно делать бензином, налитым в ванночку. Надеваем перчатки, берем кисточку и очищаем наружную часть. Теперь надо потрясти карбюратор, вращая его в разные стороны, чтобы убрать остатки жидкости. Можно открутить прозрачный дренажный шланг и слить бензин. Работать удобно на широком столе, так как при разборке можно потерять мелкие детали.
Последовательность разборки карбюратора: 1. Сначала надо отвинтить 2 винта поплавковой камеры и снять крышку. 2. Изучаем устройство карбюратора в виде белого поплавка, 2-х жиклеров (главного и холостого хода), запорной иглы на лепестке. 3. Ось поплавка вынимается и освобождается поплавок с иглой. Особое внимание мелким деталям. 4. Берем шлицевую отвертку и выкручиваем 2 жиклера. Больше раскручивать ничего не надо.
Чистка карбюратора мопеда Honda Dio AF18
На самом деле чистка карбюратора на мопедах не сильно отличается, так что данная статья подойдет ко многим моделям.
1. Для того чтобы добраться до карбюратора необходимо снять боковой пластик, убрать сидение с бардачком и снять воздухан.
2. Чтобы снять корпус воздушного фильтра, нужно открутить 2 болта под корпусом и открутить хомут на диффузоре карбюратора.
3. отодвигаем хомут топливного шланга и хомут маслопровода.
4. Откручиваем дроссельную заслонку. Для этого понадобятся пассатижи.
5. Откручиваем карбюратор от впускного патрубка.
6. Снимаем кожух с иглы холодного запуска (выкручиваем 2 винта), снимаем скобу и вытаскиваем иглу обогатителя.
7. С помощью бензина убираем грязь с карбюратора (можно воспользоваться какой либо емкостью и кисточкой. Чумазый карб)))
8. После того как мы убрали всю грязь с внешней стороны карбюратора откручиваем сливной болт поплавковой камеры и выливаем все содержимое. Затем откручиваем поплавковую камеру.
9. Вынимаем поплавок и игольчатый клапан.
10. Выкручиваем жиклер холостого хода и основной топливный жиклер с эмульсионной трубкой. Кладем выкрученные жиклеры в поплавковую камеру, в которую предварительно вкручиваем сливной болт и заливаем поплавковую камеру любой жидкостью для чистки карбюратора.
11. Выкручиваем болт регулировки холостого хода, выкручиваем болт регулировки качества смеси и вот здесь внимание! запомните порядок и комплектность того что здесь будет, а будет здесь следующее: регулировочный винт, пружина, шайба и в конце резиновый уплотнитель. Соответственно собираем потом все в обратном порядке.
12. Промываем регулировочные винты бензином.
13. Пропшикиваем очистителем все отверстия в карбюраторе.
16. Промываем все составляющие карбюратора очистителем на эфирной основе.
17. Особое внимание уделяем топливному жиклеру иглы холодного запуска.
18. Собираем все в обратном порядке)
19. После того как мы закрутили регулировочные винты откручиваем винт холостого хода на 2,5 оборота а винт качества смеси на 1,5-2 оборота.
Чистый карбюратор – грязные руки.
Колл-центр 24 часа. Любые вопросы от тех. консультаций до помощи с оформлением заказа.
Гарантия на все товары
Гарантия на товары от 6 месяцев до 3 лет. В случае брака, меняем товар без лишних вопросов.
Безопасные способы оплаты
Оплачивайте банковской картой, PayPal, банковским переводом или наличными при получении.
Доставка по всей России
Вы можете выбрать доставку курьером, Почтой России или в пункте самовывоза.
Качественно упакуем, передадим в отправку и будем следить за заказом до вручения.
Чистка карбюратора
Удобно работать специальным очистителем – ABRO, ВЭЛВ, KERRY – чем дороже, тем эффективнее: тонкая трубка хорошо входит в жиклер, колпачок разбрызгивателя не заклинивает. Баллончик находится под большим давлением и играет роль своеобразного компрессора с впрыском специальной промывочной жидкости. Не забудьте о технике безопасности: при попадании на кожу очиститель вызывает раздражения, а для глаз можно получить серьезные ожоги. Защитные очки обязательны! Чистку надо производить на свежем воздухе.
Вставляем трубку очистителя в жиклеры и продуваем. Проверяем состояние всех отверстий в жиклерах. Если там есть твердые частицы, с которыми очиститель не справляется, надо прочистить отверстия иглой. При мойке струя раствора брызгает из жиклера. Таким же способом промываются все каналы карбюратора. Активно скапливается грязь в крышке поплавковой камеры – фактически это отстойник для топлива, поэтому его надо протереть тщательно.
Установка карбюратора
Сборка и установка устройства после мойки – в обратной последовательности. Особое внимание – установке дросселя. Заслонка должна входить в карбюратор полностью, для этого ее поворачивают, пока она не сядет «с головой». Закручиваем крышку. Если очистителя под рукой не оказалось, можно промыть все детали в бензине и продуть с помощью насоса или компрессора, одев на него предварительно специальную насадку с заостренным кончиком.
Увидеть весть процесс очистки своими руками можно на видео.




