Скутер является довольно распространенным на сегодняшний день транспортным средством, он не требует много топлива, но при этом и не дает невероятных скоростей, которыми могут похвастаться его двухколесные братья-мотоциклы. Это довольно специфический вид транспорта, который выберет для себя не каждый. Но все люди, которым нравятся скутеры, всегда в восторге от езды на них, они получают массу удовольствия, а также находят их крайне практичными. Но при этом ни одно транспортное средство не застраховано от поломок, в том числе и скутер.
Неисправности могут быть самыми разнообразными, но в данной статье речь пойдет об электронике, а если говорить точнее, о том, как проверить коммутатор на скутере. Естественно, если вы не представляете себе, о чем идет речь, то вам не следует сразу же браться за инструменты. Вам лучше спокойно и внимательно изучить, как именно устроена электроника в скутере, чем отличается проверка коммутатора на автомобиле и на мопеде, а также, что именно вы можете сделать, чтобы проверить электронику на наличие повреждений и отремонтировать ваше транспортное средство. В общем, прежде чем рассматривать вопрос о том, как проверить коммутатор на скутере, вам стоит разобраться с тем, что он вообще собой представляет.
Коммутатор и устройство цепи
Как проверить коммутатор на скутере, если вы даже не знаете, что это такое и где его искать? Именно поэтому начинать нужно с малого. Первое, что вам нужно сделать – это узнать, что такое коммутатор. На самом деле все довольно просто, так как коммутатором называется элемент электрической цепи зажигания в транспортном средстве, который вырабатывает импульс низкого напряжения, который передается катушке зажигания. В отрыве от общей картины определение выглядит не очень понятным, поэтому стоит рассмотреть устройство всей цепи.
Итак, главным элементом здесь является генератор, который вырабатывает рабочее напряжение для того, чтобы заработал рассматриваемый в данной статье коммутатор. Как уже было сказано выше, с помощью энергии генератора коммутатор вырабатывает импульс для катушки зажигания, однако не просто импульс – именно низкого напряжения. В катушке зажигания, в свою очередь, вырабатывается в конкретный момент времени импульс высокого напряжения, который передается свече. Свеча же вкручена в головку цилиндра и при получении импульса высокого напряжения поджигает горючую смесь, которая приводит в действие двигатель. Что ж, теперь вы знаете, как устроена электрическая цепочка в транспортном средстве, что позволит вам лучше понять, как проверить коммутатор на скутере.
Типы комутаторов
Коммутатор служит для управления низковольтными токами первичной обмотки катушки зажигания.
Типы коммутаторов на скутер
Из массы типов коммутаторов, для мототехники используются их только три типа:
- Коммутатор с встроеным высоковольтным генератором.(DC CDI)
- Коммутатор, имеющий необходимость в источнике высокого напряжения.(AC CDI)
- Катушка-коммутатор
DC CDI коммутатор
Один из наиболее известных коммутаторов в силу несложности подсоединения. Самый обычный из них имеет только 4 контакта для таких проводов:
- Плюс (12В)
- Минус
- Датчик Холла
- Катушка зажигания
Не глядя на простоту, есть много коммутаторов данного вида. Есть с ограничителем максимальных оборотов и без, с переменой фаз опережения зажигания, с добавочными контактами для самых различных надобностей. В частности, к неким коммутаторам дозволительно “зацепить” боковую подставку, при открытии какой двигатель не раскрутится до оборотов, при каких включается сцепление. Делается это для того,чтоб застраховать водителя от опасных необдуманых поступков.
Коммутатор АС
Различается от DC коммутаторов возможностью обходиться без стабильного тока 12V. Устроен он немножко иначе, потому что, при наличии более обычной конструкции, обладает более сложным вариантом подсоединения к электрической цепи. В отличие от DC коммутаторов, АС коммутаторы бывают в большей степени без ограничителя предельных оборотов в силу небольших размеров и достаточно простой конструкции, они могут похвалиться возможностью отлично действовать при нехватке целого ряда узлов, без каких DC коммутатор трудиться не сумеет в принципе. Даже, если снять аккмулятор, реле-регулятор, замок зажигания, сохранить лишь высоковольтную катушку генератора и датчик Холла и все-равно скутер будет запускатся и ездить. Есть достаточно мудрено организованные коммутаторы предоставленного типа, которые способны соперничать с DC типом, но это редкость. Не глядя на отсутствие надобности в постоянном токе, АС очень сильно находятся в зависимости от переменного тока и взаимосвязи блока двигателя с рамой,и если Вы спалили или повредили одну катушку в генераторе, которая производит высокое напряжение, то мотороллер не запустится ни при каких обстоятельствах.
Катушка коммутатор зажигания
Наиболее сложный тип коммутатора. Связывает в себе и коммутатор и катушку зажигания, обходится совсем без датчика Холла. Исследована слабо в силу своей непробиваемости и малой распространённости.
Стоковый коммутатор на скутер
Стоковый или оригинальный коммутатор — это тот, который устанавливается на ТС с завода. Основное его превосходство перед прочими в том, что он уже расчитан на ту технику, с какой функционирует, нередко он с ограничителем для того, чтоб двигатель не развивал обороты, опасные для жизни и ресурса коренных подшипников, всего кривошипно-шатунного механизма, цилиндро-поршневой группы и других конструкций и агрегатов. Стоковый коммутатор, это основной источник долговечности хорошо обдуманного двигателя, его экономичности и прочности. Те, кто берёт на себя риск сменить заводской коммутатор на спортивный (тюнинговый), тот рискует многим. Ещё более многим рискуют те, кто до конца не понимают, что намереваются совершить. Неумелая установка таких деталей и последующее их использование со обычным двигателем нередко приводят к уменьшению ресурса и смертельному финалу двигателя, иногда в тот же день.
Спортивный коммутатор
Ключевая задача хорошего спорт-коммутатора в том, чтобы избавить двигатель от верхнего рубежа оборотов. Понимающий человек никогда не установит такую деталь на неготовый двигатель. Такие мероприятия проводятся в комплексе и им предшествует смена ещё целого ряда элементов, лишь тогда всё станет трудиться как надобно. После таковых переделок прогресс оборотов меняется в сторону более больших.
Коммутатор с изменяемыми фазами опережения зажигания
Они позваны выровнять искривленную вращающего момента и возместить голод мощности в требуемых участках оборотов. Если до этого двигатель, предположим, плохо тянул в зоне низких и средних оборотов, то сейчас коммутатор, хорошо выбирая опережение зажигания, этот провал выравнивает, тем самым обеспечивая побольше ровную динамику и дает возможность выигрывать в разгоне перед своим заводским предшественником.
skuterov.ru
Неисправность
Что подтолкнуло вас к изучению статьи о том, как проверить коммутатор на скутере 4Т или любой другой распространенной модели? Вероятнее всего, ваше транспортное средство перестало заводиться, однако вы не знаете, в чем именно может быть проблема. Возможно, зажигание барахлит, возможно, двигатель глохнет. У всего этого может быть причина в коммутаторе, а может и не быть – в этом и заключается главная проблема ремонта. Вам нужно определить, на каком именно участке имеется проблема, чтобы ее устранить.
Если ваш коммутатор не работает или функционирует не лучшим образом, то импульс низкого напряжения не будет передаваться на катушку зажигания – соответственно, зажигание не произойдет. Но ведь проблема может быть и в генераторе, и в катушке, и даже в свече, поэтому вам нужно знать, как именно проверять эти элементы. Данный материал концентрируется именно на коммутаторе, поэтому внимание будет уделено в основном тому, как проверить коммутатор на скутере 4Т и других популярных моделях.
Кратко о принципе работы
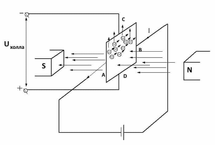
В основу принципа действия датчика зажигания положен эффект Холла, получивший свое название в честь американского физика, открывшего это явление в 1879 году. Подав постоянное напряжение на края прямоугольной пластины (А и В на рис. 1) и поместив ее в магнитное поле, Эдвин Холл обнаружил разность потенциалов на двух других краях (С и D).
Рис .1. Демонстрация эффекта Холла
В соответствии с законами электродинамики, сила Лоренца воздействует на носители заряда, что и приводит к разности потенциалов. Величина напряжения Uхолла довольно мала, в пределах от 10 мкВ до 100 мВ, она зависит как от силы тока, так и напряженности электромагнитного поля.
До середины прошлого века открытие не находило серьезного технического применения, пока не было налажено производство полупроводниковых элементов на основе кремния, сверхчистого германия, арсенида индия и т.д., обладающих необходимыми свойствами. Это открыло возможности для производства малогабаритных датчиков, позволяющих измерять как напряженность поля, так и силу тока, идущего по проводнику.
Коммутатор на автомобиле и скутере
Многие автолюбители могут удивиться, так как они знают, что проверка коммутатора на автомобиле – это минутное дело. Для этого нужно всего лишь использовать вольтметр, который иногда даже поставляется прямо с автомобилем. Просто нужно знать, куда что подключить, и никаких проблем вообще не возникает. Однако в случае со скутером все немного иначе.
Если вы хотите узнать, как проверить работоспособность коммутатора на скутере самостоятельно, то вам стоит помнить, что точных измерений вы не сможете добиться, если ваш коммутатор останется на том же месте, где он всегда находится. Более конкретно все это будет рассматриваться немного позже, сейчас же вам нужно просто понять, что проверка коммутатора на автомобиле и на скутере – это немного разные вещи, так что не стоит думать, что процесс будет идти идентично. Читайте дальше, и вы узнаете, как проверить коммутатор на скутере мультиметром, совсем как на машине, и в чем же недостатки этого метода.
Проверка коммутатора тестером
Если у вас имеется специальный тестирующий прибор, то есть тестер, то вы можете его использовать на коммутаторе, так как в любом случае это может дать определенные результаты. Вы можете использовать простой вольтметр, можете применить более универсальный мультиметр, но в любом случае вам нужно помнить о том, что у данной части скутера имеется пять выводов – на массу, на датчик, на питание, на катушку зажигания и на выключение. Если у вас имеется только один коммутатор и тестер, то вы можете лишь проверить нулевое напряжение. Когда на одном из выходов стрелка тестера не движется, это значит, что напряжения в нем нет.
Однако не всегда следствием повреждения является полная потеря напряжения – иногда может случиться так, что на каком-либо из выходов оно будет нестабильное, заниженное и так далее. И узнать об этом не получится, если у вас нет такого же коммутатора, к которому уже были произведены замеры, для сравнения. Как вы понимаете, это лишь частичная проверка, то есть вы можете использовать данный метод для того, чтобы разобраться с тем, как проверить коммутатор на скутере «Ямаха» или на какой-либо еще конкретной модели. Но если вы хотите провести полную проверку, то придется использовать более эффективные способы. Как проверить неисправность коммутатора на скутере с максимальной точностью? Для этого вам понадобится другой рабочий скутер.
Как настроить зажигание с датчиком холла
Привет всем.Сегодня поставил зажигание как в статье Установка БСЗ от ВАЗ 2108 (oppozit.ru/article292.html),но не знаю как точно выставить момент зажигания.Сначала выставил так:поймал метку ВМТ и установил датчик холла так чтобы край шторки на половину открыл магнитик датчика.Попробовал завести завёлся сразу ,на ручку газа реагировал мнгновенно без всяких провалов.Попробовал прокатиться обнаружилось что мот плохо тянет и не набирает скорость, не держит холостые и после остановки очень плохо заводится.Тогда я выставил зажигание ещё пораньше так что в положении ВМТ край шторки полностью открыл магнитик датчика,холостые поднялись до 1000 и при поездке мот вёл себя намного живей,но заводился попрежнему плохо.Потом я увеличил зазор между электродами в свечах до 1мм вроде стал нормально заводиться.Так вот хотел бы узнать как правильно выставить момент зажигания,если кто знает подскажите пожалуйста.Читал в форуме что нужно прибор подключить к датчику и крутить зажигание пока на датчике не появится напряжение это и будет момент зажигания ,но толком не описано как это делать.Заранее всем спасибо.
попробуй на заведённом моте покрутить зажигание до максимальных оборотов
проще всего настраивать стробоскопом но можно и прибором : подключаеш вольтметр к среднему выводу разъема датчика. когда шторка в датчике напруга есть. когда вышла напруги нет. выставляеш метку зажиг и крутиш датчик(трамблер) чоб напруга пропала (в этот момент прскакивает искра) хотя я настраивал «наглазок» ничего не подключая . покрутил-прокатился-покрутил-нашел оптимальное положение-затянул
Источник
Проверка на другом скутере
Если вы задаетесь вопросом касательно того, как проверить коммутатор на скутере «Хонда-Дио», то в данном случае вам не понадобится именно другая «Хонда-Дио», чтобы совершить процедуру. О взаимозаменяемости коммутаторов у скутеров речь пойдет немного позже, сейчас же вам нужно понять, что точные показания вы можете получить в том случае, если у вас имеется в ближайшем доступе еще один скутер. Именно этот способ является самым простым и распространенным.
Вам необходимо отключить коммутаторы на обоих скутерах, после чего тестируемый элемент подключить к другому скутеру. Если все будет работать отлично, это будет означать, что с коммутатором все в порядке, то есть проблему следует искать в какой-либо другой области. Естественно, это дополнительная работа, но факт остается фактом – вы узнали, как проверить исправность коммутатора на скутере, вы совершили проверку и получили результат. Если же проблемы остаются, то вы нашли ее – вам нужно будет заняться ремонтом или же заменой коммутатора, но об этом также будет написано позже.
На данный момент пришло время перейти к еще одному очень интересному способу – имитации.
Имитационный стенд
Если у вас нет второго скутера, а также нет возможности получить к нему доступ, то вам стоит задуматься о том, чтобы приобрести или сделать для себя специальный стенд, который бы имитировал работу вашего скутера. Он идеально подходит, чтобы проверить коммутатор скутере «Хонда», а также на любой другой модели, и если вы постоянно пользуетесь подобным транспортным средством, то есть вероятность того, что использовать стенд вам придется не раз и не два, следовательно, вам определенно стоит вложиться в него.
Сейчас гораздо удобнее приобрести его и установить у себя в гараже, чтобы в случае необходимости всегда иметь возможность проверить любую деталь без использования другого скутера. Но также его можно сделать своими руками – только в этом случае вам нужно иметь очень высокие навыки и умения в инженерном деле, а также желательно иметь еще и внушительный опыт общения с подобной техникой. Вам также стоит знать, что у такого стенда имеются и другие преимущества перед вторым скутером для контроля.
Разница между стендом и вторым скутером
Допустим, вы задались вопросом о том, как проверить коммутатор на скутере 2Т. Вы прочитали данную статью и поняли, что простое использование тестера не даст вам результатов, которые вам необходимы. Поэтому вы встаете перед вопросом о том, обзавестись ли стендом, или же все же попробовать найти другой скутер для проверки. Многие люди склоняются ко второму варианту, так как он выглядит намного более простым и удобным. Однако вам все же стоит задуматься о первом, так как у него есть несколько существенных преимуществ. Одно из самых больших заключается в глубине проверки: если с помощью второго скутера вы просто сможете проверить функциональность коммутатора и некоторые детали его работы, то на стенде у вас будет полный размах возможностей. Все будет у вас перед глазами, вы сможете использовать тестер на любом элементе, устанавливать нужное вам количество оборотов, чтобы провести проверку на различных степенях нагрузки и так далее. Вы даже сможете проверять совместимость коммутаторов с катушками зажигания, а также придумывать любые проверки и тесты, которые позволит вам ваше воображение.
В общем, у вас будет полный полет фантазии. Вы получите ответ на вопрос не только о том, как проверить, работает ли коммутатор на скутере. Вы сможете получить ответ вообще на любой вопрос, который будет касаться вашего транспортного средства. Однако сразу стоит сказать, что если вы просто решили приобрести скутер на пару лет, чтобы потом пересесть на мотоцикл или машину, то не стоит тратить время и средства. Стенд больше подходит тем людям, которые уверены в том, что многие годы будут ездить на скутере.
что делать если сгорел мозг (коммутатор) у мотоцикла / Блог им. gorini4 / БайкПост
Привет, Байкпостовчанин. Кажется, ты используешь AdBlock. БайкПост развивается и существует за счет доходов от рекламы. Добавь нас в исключения.
открытое письмо как отключить
Пробег
голосов: 78
Блог им. gorini4
Денис
3743-е место в рейтинге байкпостовцев и так у многих бывает такая ситуация что у мотоцикла куда то пропадает искра или пропадает искра на одной катушке зажигания.При полном обследовании выясняется что сдохли мозги(коммутатор), а так как на некоторые мотоциклы мозги крайне не дешевые я задался целью попробовать восстановить те самые сгоревшие мозги. Объясню: за частую причиной отмирания мозгов служит: 1. Перезаряд генератора. 2. Нечайно исчезнувший контакт на клеммах акб при работающем двигателе. (ВСЕГДА ПРОВЕРЯЙТЕ КЛЕМЫ АКБ НА НАЛИЧИЕ ОКИСЛОВ И НА ПРЕДМЕТ ЗАТЯЖКИ КЛЕММ!!! ибо эта мелочь может стоить жизни мозгам вашего мотоцикла) За частую, а особенно в мотоциклах с 1990 г в коммутаторах стала появляться защита от перенапряжения или внутреннего короткого замыкания (особенно любят делать короткое замыкание конденсаторы)и когда срабатывает эта защита все думают что коммутатор скоропостижно скончался и просто выбрасывают его заменяя его на новый. мозги можно легко восстановить если в нем сгорело все кроме процессора. (если сгорел процессор вы как детальку его просто нигде не купите) если кому то нужна помощь с ремонтом мозгов мота обращайтесь помогу чем смогу фото отремонтированных мозгов не прикладываю из за того что у меня просто нет этих фоток.
Есть еще случай когда мозги мотоцикла можно полностью заменить самодельными, (лично сам делал) это актуально особенно для мотоциклов 80годов когда родные мозги найти очень сложно а если и найдешь то они будут стоить очень дорого.
bikepost.ru
Ремонт коммутатора
Итак, вы получили всю необходимую информацию о том, как выявить неисправность в работе коммутатора вашего скутера. Теперь можно некоторое время потратить на обсуждение того, как эту неисправность устранить. Первый вариант – это ремонт. Возможно, вы удивитесь, но это далеко не самый распространенный вариант, и сейчас вы узнаете, почему. Все дело в том, что схема коммутатора скутера чаще всего заливается очень прочным пластиком, и если вы будете пытаться его счистить, чтобы произвести ремонт, то очень велика вероятность того, что вы нанесете неисправимые повреждения. Поэтому если вы все же хотите, чтобы ваш коммутатор был отремонтирован, то вам стоит доверить это дело специалисту, который уже не первый год владеет паяльником и занимается подобными вещами. Однако, как уже было сказано ранее, этот метод не особо популярен, так как является очень хлопотным. Большинство владельцев скутеров предпочитают экономить время и нервы и сразу же покупать новый коммутатор, когда они узнают о том, что их нынешний вышел из строя.
Покупка коммутатора
Приобрести коммутатор – это самый простой и быстрый выход, так как вы не тратите времени, усилий, да и стоимость данного механизма не так велика, чтобы сильно на нем экономить. Это действительно самый разумный выход, который можно придумать в той ситуации, когда у вас сгорел коммутатор. Однако, опять же, очень важно, чтобы вы все правильно проверили, не пользовались только тестером, а провели полноценную процедуру проверки коммутатора, чтобы с точностью можно было сказать, что причина заключается именно в нем. Иначе вы просто потратите деньги на новую деталь, но ваш скутер все равно не будет функционировать.
Взаимозаменяемость коммутаторов
Отдельно стоит поговорить о взаимозаменяемости коммутаторов для скутеров, так как этот вопрос волнует очень многих людей, которые пользуются данными транспортными средствами. К счастью, этот вопрос приносит только положительные эмоции, так как в большинстве случаев коммутаторы на различных моделях скутеров являются взаимозаменяемыми. Это значит, что в случае повреждения одного коммутатора вам не придется везде искать точно такой же, потому что вы сможете использовать любой другой, который сможете обнаружить.
Естественно, нельзя сказать, что абсолютно все коммутаторы взаимозаменяемые, есть некоторые моменты, на которые вам стоит обратить внимание. В первую очередь, это наличие или отсутствие датчика Холла в цепи – в некоторых моделях скутеров он заменяет катушку зажигания, и, соответственно, коммутатор, взаимодействующий с датчиком Холла, не подойдет на замену коммутатору, который взаимодействовал с катушкой зажигания. Есть и другие ограничения – например, вам не подойдет коммутатор, который используется для двигателя с отличным числом цилиндров. К счастью, в скутерах практически всегда используются двигатели с одним цилиндром, но на этот момент все равно стоит обращать внимание.
Пример использования аналогового элемента
Рассмотрим в качестве примера конструкцию датчика тока ы основе работы которого используется эффект Холла.
Упрощенная схема датчика тока на основе эффекта Холла
Обозначения:
- А – проводник.
- В – незамкнутое магнитопроводное кольцо.
- С – аналоговый датчик Холла.
- D – усилитель сигнала.




