6G75 | Ремонт, проблемы, характеристики, тюнинг
Характеристики двигателя Митсубиси 6G75
| Производство | Kyoto engine plant |
| Марка двигателя | 6G7/Cyclone V6 |
| Годы выпуска | 2003-н.в. |
| Материал блока цилиндров | чугун |
| Система питания | инжектор |
| Тип | V-образный |
| Количество цилиндров | 6 |
| Клапанов на цилиндр | 4 |
| Ход поршня, мм | 90 |
| Диаметр цилиндра, мм | 95 |
| Степень сжатия | 9.8 10 (GDI) |
| Объем двигателя, куб.см | 3828 |
| Мощность двигателя, л.с./об.мин | 235-265/5250-5750 218/5000(GDI) (см. описание) |
| Крутящий момент, Нм/об.мин | 329-339/2750-4000 339/3750 (GDI) (см. описание) |
| Топливо | 95-98 |
| Экологические нормы | — |
| Вес двигателя, кг | ~200 (12V) |
| Расход топлива, л/100 км (для Pajero 4) — город — трасса — смешан. | 17.7 11.2 13.5 |
| Расход масла, гр./1000 км | до 1000 |
| Масло в двигатель | 0W-30 0W-40 5W-30 5W-40 5W-50 10W-30 10W-40 |
| Сколько масла в двигателе, л | 4.9 |
| Замена масла проводится, км | 7000-10000 |
| Рабочая температура двигателя, град. | — |
| Ресурс двигателя, тыс. км — по данным завода — на практике | — 400+ |
| Тюнинг, л.с. — потенциал — без потери ресурса | 1000+ — |
| Двигатель устанавливался | Mitsubishi Galant Mitsubishi Eclipse 4 Mitsubishi Pajero/Montero Mitsubishi 380 Mitsubishi Endeavor |
Надежность, проблемы и ремонт двигателя Митсубиси 6G75 3.8 л.
Самый крупный и новый двигатель семейства Cyclone V6 (в которое вошли 6G71, 6G72, 6G73, 6G74) появился в 2003 году на Mitsubishi Pajero 3. В отличие от предшественника 6G74, новый 6G75 получил доработанный, увеличенный в высоту на 2 мм, блок цилиндров под коленвал с ходом поршня 90 мм (был 85.8 мм), увеличился диаметр цилиндров с 93 мм до 95 мм, изменились шатуны, теперь они кованые.
Головка блока цилиндров одновальная 24-клапанная с системой изменения фаз газораспределения и высоты подъема клапанов MIVEC. Степень сжатия 9.8. Вместе с тем выпускалась и SOHC GDI версия, с непосредственным впрыском топлива, со степенью сжатия 10.
В газораспределительном механизме используется ремень, замена ремня ГРМ на 6G75, вместе с роликом и помпой, требуется каждые 90 тыс. км.
Проблемы и недостатки двигателей Митсубиси 6G75 3.8 л.
В области неисправностей двигатель 6G75 аналогичен всем своим родственникам по серии Cyclone V6. Узнать детально о проблемах можно здесь.
Тюнинг двигателя Mitsubishi 6G75
Чип-тюнинг
Самым простым вариантом тюнинга 6G75 это сделать чип-тюнинг, купить спортивный выхлоп или просто удалить катализаторы. Это даст чуть более агрессивный звук и мощность +20-30 л.с., в сумме около 280 л.с. Можно купить компрессор кит с небольшим давлением (до 0.5 бар) и установить на сток поршневую. Такие киты выпускались, возможно удастся найти.
РЕЙТИНГ ДВИГАТЕЛЯ: 4
<<�НАЗАД
wikimotors.ru
Характеристики двигателя Митсубиси 6G75
| Производство | Kyoto engine plant |
| Марка двигателя | 6G7/Cyclone V6 |
| Годы выпуска | 2003-н.в. |
| Материал блока цилиндров | чугун |
| Система питания | инжектор |
| Тип | V-образный |
| Количество цилиндров | 6 |
| Клапанов на цилиндр | 4 |
| Ход поршня, мм | 90 |
| Диаметр цилиндра, мм | 95 |
| Степень сжатия | 9.8 10 (GDI) |
| Объем двигателя, куб.см | 3828 |
| Мощность двигателя, л.с./об.мин | 235-265/5250-5750 218/5000(GDI) (см. описание) |
| Крутящий момент, Нм/об.мин | 329-339/2750-4000 339/3750 (GDI) (см. описание) |
| Топливо | 95-98 |
| Экологические нормы | — |
| Вес двигателя, кг | ~200 (12V) |
| Расход топлива, л/100 км (для Pajero 4) — город — трасса — смешан. | 17.711.2 13.5 |
| Расход масла, гр./1000 км | до 1000 |
| Масло в двигатель | 0W-30 0W-40 5W-30 5W-40 5W-50 10W-30 10W-40 |
| Сколько масла в двигателе, л | 4.9 |
| Замена масла проводится, км | 7000-10000 |
| Рабочая температура двигателя, град. | — |
| Ресурс двигателя, тыс. км — по данным завода — на практике | — 400+ |
| Тюнинг, л.с. — потенциал — без потери ресурса | 1000+ — |
| Двигатель устанавливался | Mitsubishi Galant Mitsubishi Eclipse 4 Mitsubishi Pajero/Montero Mitsubishi 380 Mitsubishi Endeavor |
Mitsubishi Pajero | Шестицилиндровые двигатели V6
3.1. Техническая характеристика
| ОБЩИЕ СВЕДЕНИЯ |
Расположение цилиндров и направление вращения распределителя зажигания
Расположение цилиндров (со стороны ремня)
| Правая сторона (задняя) | 1–3–5 |
| Левая сторона (у радиатора) | 2–4–6 |
| Порядок работы цилиндров | 1–2–3–4–5–6 |
Головка блока цилиндров
| 1 – выпускной левый коллектор; 2 – прокладка; 3 – термозащитный экран выпускного коллектора; 4 – прокладка; 5 – выпускной правый коллектор; 6 – термозащитный экран выпускного коллектора; 7 – прокладка головки блока цилиндров; 8 – кожух зубчатого ремня; 9 – правая головка блока цилиндров; 10 – распределительный вал, управляющий впускными клапанами; 11 – распределительный вал, управляющий выпускными клапанами; 12 – шайба; 13 – упорное кольцо; 14 – шкив распределитель ного вала; 15 – стопорное кольцо; 16 – прокладка; 17 – крышка головки блока цилиндров; 18 – прокладки; 19 – впускной коллектор; 20 – кронштейн холостого шкива; 21 – прокладка; 22 – штуцер системы охлаждения; 23 – прокладка; 24 – кронштейн воздухозаборника; 25 – EGR–труба; 26 – прокладки; 27 – EGR–клапан и вакуумный модулятор; 28 – вакуумные трубы; 29 – воздухозаборник; 30 – прокладки; 31 – обводной патрубок системы охлаждения; |
32 – термозащитный экран перепускной трубы; 33 – уплотнительная шайба; 34 – крышка головки блока цилиндров; 35 – прокладка; 36 – крышка подшипника распределительного вала; 37 – распределительный вал, управляющий впускными клапанами; 38 – распределительный вал, управляющий выпускными клапанами; 39 – задняя пластина головки блока цилиндров; 40 – прокладка трубы свечи зажигания; 41 – левая головка блока цилиндров; 42 – левая проушина двигателя; 43 – прокладка головки блока цилиндров; 44 – регулировочная прокладка; 45 – толкатель клапана; 46 – верхняя тарелка пружины; 47 – пружина; 48 – гнездо пружины; 49 – направляющая втулка клапана; 50 – клапан; 51 – перепускная выхлопная труба; 52 – прокладка; 53 – термозащитный экран выпускного коллектора; 54 – уплотнительное кольцо распредели тельного вала; 55 – сухари; 56 – уплотнительное кольцо; 57 – упорное кольцо; 58 – прокладки |
Головка блока цилиндров
| Неплоскостность: | |
| – двигатель 3VZ-FE (1992 и 1993): | |
| • головка блока цилиндров | 0,099 мм |
| • впускной коллектор | 0,099 мм |
| • выпускной коллектор | 1,0 мм |
| – двигатель 1MZ-FE (1994): | |
| • головка блока цилиндров | 0,099 мм |
| • впускной коллектор | 0,078 мм |
| • выпускной коллектор | 0,49 мм |
Распределительный вал
| Зазор клапанов (на холодном двигателе): | |
| – впускные клапана | 0,127 – 0,23 мм |
| – выпускные клапана | 0,28 – 0,38 мм |
| Диаметр шеек | 26,940 – 26,960 мм |
| Зазор в подшипниках: | |
| – номинальный | 0,035 – 0,071 мм |
| – минимальный | 0,099 мм |
| Высота кулачков: | |
| – двигатель 3VZ-FE (1992 и 1993) | |
| Распределительный вал, управляющий впускными клапанами: | |
| – номинальная | 42,158 – 42,260 мм |
| – предельно допустимая | 42,000 мм |
| – двигатель 1MZ-FE (с 1994) | |
| Распределительный вал, управляющий впускными клапанами: | |
| – номинальная | 42,110 – 42,210 мм |
| – предельно допустимая | 42,050 мм |
| Распределительный вал, управляющий впускными клапанами: | |
| – номинальная | 41,960 – 42,050 мм |
| – предельно допустимая | 41,810 мм |
| Осевой люфт распределительного вала | |
| – номинальный | |
| • двигатель 3VZ-FE(1992 и 1993) | 0,033 – 0,078 мм |
| • двигатель 1 MZ-FE (с 1994) | 0,040 – 0,088 мм |
| – предельно допустимый | 0,119 мм |
| Люфт шестерен распределительного вала: | |
| – номинальный | 0,02 – 0,20 мм |
| – предельно допустимый | 0,47 мм |
| Расстояние между торцами пружины шестерни распределительного вала | 22,5 – 22,9 мм |
Толкатель клапана
| Диаметр | 30,96 – 30,97 мм |
| Диаметр канала толкателя | 31,00 – 31,018 мм |
| Зазор толкателя в головке: | |
| – номинальный | 0,022 – 0,050 мм |
| – предельно допустимый | 0,071 мм |
Масляный насос
| Зазор между внешним ротором и корпусом: | |
| – номинальный | 0,099 – 0,170 мм |
| – предельно допустимый | 0,299 мм |
| Осевой люфт ротора: | |
| – номинальный | 0,030 – 0,088 мм |
| – предельно допустимый | 0,149 мм |
Моменты затягивания
| Двигатель 3VZ-FE (1992 и 1993) | |
| Гайки выпускного коллектора | 40 Нм |
| Болт шкива коленчатого вала | 250 Нм |
| Болты холостого шкива: | |
| – номер 1 | 35 Нм |
| – номер 2 | 40 Нм |
| Механизм натяжения зубчатого ремня | 28 Нм |
| Шкив распределительного вала | 110 Нм |
| Болты крепления головки блока цилиндров: | |
| – стадия 1 | 35 Нм |
| – стадия 2 | довернуть на угол 90° |
| – стадия 3 | довернуть на угол 90° |
| Болты масляного насоса: | |
| – головка болта 12 мм | 35 Нм |
| – головка болта 14 мм | 40 Нм |
| Маховик / пластина привода | 85 Нм |
| Двигатель 1MZ-FE (с 1994) | |
| Выпускной коллектор | 50 Нм |
| Болт шкива коленчатого вала | 220 Нм |
| Болты холостого шкива: | |
| – номер 1 | 35 Нм |
| – номер 2 | 45 Нм |
| Механизм натяжения зубчатого ремня | 28 Нм |
| Шкив распределительного вала | 130 Нм |
| Болты крепления головки блока цилиндров: | |
| – стадия 1 | 55 Нм |
| – стадия 2 | довернуть на угол 90° |
| Маховик / пластина привода | 85 Нм |
automn.ru
лучшее масло, какой ресурс, количество клапанов, мощность, объем, вес
Двигатель 6g75 – еще один неплохой силовой агрегат от компании Mitsubishi. Это самый большой агрегат семейства Cyclone, который начал выпускаться в 2003 и до сих пор устанавливается на автомобили японского концерна. Для 3,8 литрового двигателя 6g75 довольно экономичен, потребляя чуть больше 13 литров топлива в смешанном цикле. Он самый новый в серии, поэтому существенно доработан в сравнении с предшественниками (к примеру, получил кованые шатуны). По конструкции мотор не отличается от предшественников: V-образная «шестерка» с развалом в 60 градусов, чугунным блоком и алюминиевой ГБЦ, с рабочим объемом 3828 «кубиков». Используется 24-клапанная одновальная схема газораспределения SOHC в двух версиях: с фирменной системой MIVEC (изменяемое газораспределение с регулировкой высоты клапанов) или непосредственным впрыском GDI. В зависимости от этого менялась мощность мотора, компрессия (9,8-10,0) и другие параметры.
Технические характеристики
| Производство | Lonsdale plant |
| Марка двигателя | 6G7/Cyclone V6 |
| Годы выпуска | 2003-н.в. |
| Материал блока цилиндров | чугун |
| Система питания | инжектор |
| Тип | V-образный |
| Количество цилиндров | 6 |
| Клапанов на цилиндр | 4 |
| Ход поршня, мм | 90 |
| Диаметр цилиндра, мм | 95 |
| Степень сжатия | 9.8 10 (GDI) |
| Объем двигателя, куб.см | 3828 |
| Мощность двигателя, л.с./об.мин | 235-265/5250-5750 218/5000(GDI) (см. описание) |
| Крутящий момент, Нм/об.мин | 329-339/2750-4000 339/3750 (GDI) (см. описание) |
| Топливо | 95-98 |
| Экологические нормы | — |
| Вес двигателя, кг | ~200 (12V) |
| Расход топлива, л/100 км (для Pajero 4) — город — трасса — смешан. | 17.7 11.2 13.5 |
| Расход масла, гр./1000 км | до 1000 |
| Масло в двигатель | 0W-30 / 0W-40 / 5W-30 / 5W-40 / 5W-50 / 10W-30 / 10W-40 |
| Сколько масла в двигателе, л | 4.9 |
| Замена масла проводится, км | 7000-10000 |
| Рабочая температура двигателя, град. | — |
| Ресурс двигателя, тыс. км — по данным завода — на практике | — 400+ |
wikers.ru
Надежность, проблемы и ремонт двигателя Митсубиси 6G75 3.8 л.
Самый крупный и новый двигатель семейства Cyclone V6 (в которое вошли 6G71, 6G72, 6G73, 6G74) появился в 2003 году на Mitsubishi Pajero 3. В отличие от предшественника 6G74, новый 6G75 получил доработанный, увеличенный в высоту на 2 мм, блок цилиндров под коленвал с ходом поршня 90 мм (был 85.8 мм), увеличился диаметр цилиндров с 93 мм до 95 мм, изменились шатуны, теперь они кованые.
Головка блока цилиндров одновальная 24-клапанная с системой изменения фаз газораспределения и высоты подъема клапанов MIVEC. Степень сжатия 9.8. Вместе с тем выпускалась и SOHC GDI версия, с непосредственным впрыском топлива, со степенью сжатия 10.
В газораспределительном механизме используется ремень, замена ремня ГРМ на 6G75, вместе с роликом и помпой, требуется каждые 90 тыс. км.
Проблемы и недостатки двигателей Митсубиси 6G75 3.8 л.
В области неисправностей двигатель 6G75 аналогичен всем своим родственникам по серии Cyclone V6. Узнать детально о проблемах можно здесь.
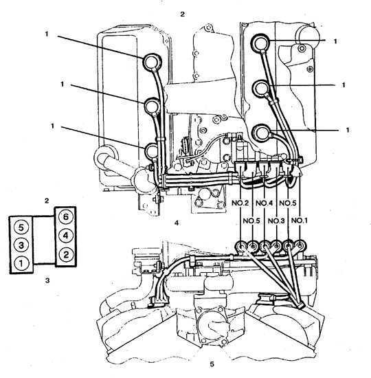
7.12. Порядок зажигания
| От правильности последовательности воспламенения воздушно-топливной смеси в цилиндрах двигателя зависит эффективность отдачи и общая работоспособность силового агрегата, — во избежание подобных нарушений производите отсоединение ВВ электропроводки поочередно, аккуратно маркируя каждый провод. |
Порядок зажигания и направление вращения распределителя для различных моделей показан на иллюстрациях.
Порядок зажигания и направление вращения распределителя на моделях 1.5 л (двигатель 4G15) и 1.8 л (двигатель 4G93) 1993 ÷ 1996 г.г. вып.
Порядок зажигания и направление вращения распределителя на моделях 2.0 л SOHC (двигатель 4G63)
Порядок зажигания на моделях 1.6 л (двигатель 4G61) и 2.0 л (двигатель 4G63) DOHC
Порядок зажигания на моделях 1.8 л (двигатель 4G93) 1997 ÷ 2000 г.г. вып. и 2.4 л (двигатель 4G64) с 1999 г. вып.
Порядок зажигания и направление вращения распределителя на моделях 2.4 л (двигатель 4G64)
Порядок зажигания на моделях 2.4 л (двигатель 4G64) DOHC
Порядок зажигания и направление вращения распределителя на моделях 3.0 л (двигатель 6G72) и 3.5 л (двигатель 6G74)
Порядок зажигания на моделях 3.0 л (двигатель 6G72) DOHC
carmanz.com
Справка — Mitsubishi. Порядок зажигания.
Порядок зажигания и направление вращения распределителя на моделях 1.5 л (двигатель 4G15) и 1.8 л (двигатель 4G93) 1993 ÷ 1996 г.г. вып.Порядок зажигания: 1-3-4-2 Направление вращения распределителя: Против часовой стрелки
Порядок зажигания и направление вращения распределителя на моделях 2.0 л SOHC (двигатель 4G63)
Порядок зажигания: 1-3-4-2 Направление вращения распределителя: По часовой стрелке
Порядок зажигания на моделях 1.6 л (двигатель 4G61) и 2.0 л (двигатель 4G63) DOHC
Порядок зажигания: 1-3-4-2 Система прямого зажигания (без распределителя)
Порядок зажигания на моделях 1.8 л (двигатель 4G93) 1997 ÷ 2000 г.г. вып. и 2.4 л (двигатель 4G64) с 1999 г. вып.
Порядок зажигания: 1-3-4-2 Система прямого зажигания (без распределителя)
Порядок зажигания и направление вращения распределителя на моделях 2.4 л (двигатель 4G64)
Порядок зажигания: 1-3-4-2 Направление вращения распределителя: Против часовой стрелки
Порядок зажигания на моделях 2.4 л (двигатель 4G64) DOHC
Порядок зажигания: 1-3-4-2 Система прямого зажигания (без распределителя)
Порядок зажигания и направление вращения распределителя на моделях 3.0 л (двигатель 6G72) и 3.5 л (двигатель 6G74)
Порядок зажигания: 1-2-3-4-5-6 Направление вращения распределителя: По часовой стрелке
Порядок зажигания на моделях 3.0 л (двигатель 6G72) DOHC
Порядок зажигания: 1-2-3-4-5-6 Система прямого зажигания (без распределителя)
Для моделей с тремя катушками зажигания
avtoved.guru
Ремонт Митсубиси Паджеро : Система зажигания Mitsubishi Pajero
- Руководства по ремонту
- Руководство по ремонту Митсубиси Паджеро 1982-1998 г.в.
- Система зажигания
3.3. Система зажигания
В большинстве модификаций двигателей система зажигания батарейная, бесконтактная.
ДВИГАТЕЛИ 2,0, 2,4
И 2,6 Л
Нумерация цилиндров, направление вращения валика распределителя на двигателях 2,0 и 2,4 л
| Порядок работы 1–3–4–2, вращение по часовой стрелке. |
Расположение деталей системы зажиганияна двигателе 2,4 л
|
|
| 1. Высоковольтные провода свеч 2. Свеча 3. Высоковольтный провод катушки | 4. Распределитель 5. Катушка зажигания |
Нумерация цилиндров, направление вращения валика распределителя на двигателях 2,6 л
| Порядок работы 1–3–4–2, вращение по часовой стрелке. |
ДВИГАТЕЛИ 3,0
Двигатель 3,0 л (12-клапанный)
| Порядок работы 1–2–3–4–5–6, вращение против часовой стрелки. 1, 4. Высоковольтные провода свеч 2. Левая головка цилиндров 3. Правая головка цилиндров |
5. Перегиб не допускается 6. Около 90° 7. Выпускной коллектор 9. Задняя часть двигателя 10. Передняя часть двигателя |
Расположение деталей системы зажиганияна двигателе 3,0 л (12-клапанном)
| 1. Высоковольтные провода свеч 2. Свеча 3. Высоковольтный провод катушки | 4. Распределитель 5. Катушка зажигания |
Двигатель 3,0 л (24-клапанный)
|
|
|
| Порядок работы 1–2–3–4–5–6, распределитель отсутствует. 1. Высоковольтные провода свеч 2. Задняя часть двигателя |
3. Передняя часть двигателя 4. Вид сверху 5. Вид спереди |
Расположение деталей системы зажиганияна двигателе 3,0 л (24-клапанном)
| 1. Силовой транзистор блока зажигания 2. Катушка зажигания 3. Высоковольтные провода свеч | 4. Свеча 5. Датчик вращения распредвала 6. Датчик вращения коленвала |
Расположение деталей системы зажиганияна клапанном двигателе 3,0 л
| 1. Силовой транзистор блока зажигания 2. Крышка 3. Высоковольтные провода свеч 4. Проводка | 5. Катушка зажигания 6. Свеча 7. Датчик вращения распредвала 8. Датчик вращения коленвала |
ДВИГАТЕЛЬ 3,5 Л
Двигатель 3,5 л (двухвальный верхнеклапанный)
| Порядок работы 1–2–3–4–5–6, распределитель отсутствует. 1. Вид сзади 2. Задняя часть двигателя |
3. Передняя часть двигателя 4. Высоковольтные провода свеч 5. Вид сверху |
На 24-клапанном двигателе 3,0 и двигателе 3,5 л распределитель зажигания отсутствует, импульсы в катушке формируются процессорным блоком в ответ на сигналы, поступающие с датчиков вращения коленвала, угла поворота заслонки и др.
Датчик вращения коленвала на 24-клапанном двигателе 3,0 л смонтирован под коленвалом и закрыт крышкой зубчатого ремня.
Датчик вращения на двигателе 3,5 л смонтирован под верхней крышкой зубчатого ремня левой головки цилиндров.
Скачать информацию со страницы
↓ Комментарии ↓
1. Митсубиши Паджеро
1.0 Mitsubishi Pajero 1.2 Внутренняя отделка 1.3. Дверные замки 1.4 Наливная горловина топливного бака 1.5 Капот 1.6. Окна 1.7. Люк 1.8. Сиденья и ремни безопасности 1.9. Воздушная подушка безопасности 1.10. Приборы и органы управления 1.11. Запуск двигателя и управление автомобилем 1.12. Замок зажигания 1.13 Противоугонная система 1.14 Замок рулевой колонки 1.15 Запуск двигателя в холодную погоду 1.16. Автоматическая коробка передач 1.17. Механическая коробка передач 1.18 Стояночный тормоз 1.19 Педаль тормоза 1.20 Система гидроусилителя тормозов 1.21 Звуковой сигнал, предупреждающий об износе тормозных колодок 1.22 Система антиблокировки тормозов 1.23 Рычаг регулировки высоты рулевой колонки 1.24 Система рулевого управления с гидравлическим усилением 1.25 Зеркала заднего вида 1.26 Обогреватели зеркал заднего вида 1.27 Система круиз-контроля 1.28 Регулировка объема и направления воздуха 1.29 Отопитель/ кондиционер 1.30 Выключатель кондиционера 1.31 Отопление салона 1.32 Обогрев ветрового стекла и стекол дверей 1.33. В случае аварийной ситуации 1.34 Замена ламп 1.35 Мощность ламп 1.36. Фары головного света 1.37 Лампы освещения заднего номерного знака 1.38 Фонарь освещения багажника 1.39 Лампы для чтения карт 1.40 Верхний плафон 1.41 Верхний фонарь стоп-сигнала 1.42 Выносной фонарь 1.43 Предохранители 1.44. Идентификационные номера и информационные таблички
2. Техническое обслуживание
2.0 Техническое обслуживание 2.2 Заправочные емкости 2.3 Замена фильтра 2.4 Топливный фильтр 2.5 Золотник вентиляции картера (бензиновые двигатели) 2.6 Уход за батареей 2.7 Ремни привода 2.8 Шланги системы охлаждения 2.9 Чехлы ШРУСов 2.10 Обслуживание кондиционера 2.11 Щетки стеклоочистителя 2.12 Колеса и шины 2.13 Рекомендуемые топливо, жидкости и смазочные материалы 2.14. Двигатель 2.15. Охлаждающая жидкость
3. Двигатели
3.0 Двигатели 3.1 Свечи 3.2 Проверка проводов 3.3. Система зажигания 3.4. Капитальный ремонт двигателя 3.5. Дизельный и турбодизельный двигатели 2,5 и 2,8 л
4. Система охлаждения
4.0 Система охлаждения 4.2 Электровентилятор 4.3 Замена охлаждающей жидкости 4.4 Водяной насос
5. Система смазки
5.0 Система смазки 5.2 Проверка термостата масляного насоса
6. Система питания
6.0 Система питания 6.2 Удаление воздуха из системы питания 6.3 Удаление воды из топливного фильтра 6.4 Замена фильтрующего элемента топливного фильтра 6.5 Снятие и установка ТНВД 6.6 Регулировка холостого хода 6.7 Проверка системы предпускового подогрева двигателя 4D56Т 6.8 Проверка блока управления предпусковым подогревом 6.9 Проверка реле включения пусковых свечей 6.10 Снятие и установка турбокомпрессора 6.11 Проверка давления наддува 6.12 Воздухо-воздушный охладитель
7. Система выпуска
7.0 Система выпуска 7.2 Система снижения токсичности
8. Топливная система
8.0 Топливная система 8.1. Карбюратор 8.2. Двигатели с впрыском топлива 8.3. Дизельные двигатели
9. Ходовая часть
9.0 Ходовая часть 9.1. Механизм управления КПП 9.2. Сцепление 9.3. Автоматическая трансмиссия 9.4. Задний мост
10. Подвеска и рулевое управление
10.0 Подвеска и рулевое управление 10.2. Передняя подвеска 10.3. Задняя подвеска 10.4. Рулевое управление
11. Тормозная система
11.0 Тормозная система 11.2 Вакуумный усилитель тормозов 11.3 Регулировка тормозов 11.4 Выключатель сигнала торможения 11.5 Снятие и установка педали 11.6 Главный цилиндр тормозов 11.7 Дозирующий клапан 11.8 Регулятор давления задних тормозов (1992-98) 11.9 Контрольный клапан усилителя тормозов 11.10 Шланги и трубки 11.11 Удаление воздуха из гидропривода тормозов 11.12. Передние дисковые тормоза 11.13. Задние барабанные тормоза 11.14. Задние дисковые тормоза (1992-98) 11.15. Ручной тормоз 11.16 Антиблокировочная система (ABS) 11.17 Гидромодуль 11.18 Датчик перегрузки 11.19 Датчик скорости
12. Кузов
12.0 Кузов 12.2 Виниловая отделка 12.3 Обивка и коврики 12.4 Ремонт небольших царапин 12.5 Ремонт вмятин 12.6 Починка отверстий от ржавчины или вмятин 12.7 Наполнение и покраска 12.8 Ремонт значительных повреждений 12.9 Петли и замки 12.10 Ветровое стекло и неподвижные стекла 12.11 Снятие и установка дверей 12.12 Регулировка двери 12.13 Снятие и установка капота 12.14 Регулировка капота 12.15 Крышка заднего отсека 12.16 Бамперы 12.17 Передняя облицовочная решетка 12.18 Наружные зеркала 12.19 Передняя антенна 12.20 Снятие и установка крыла 12.21 Опоры кузова (крепление к шасси) 12.22 Люк 12.23 Держатель запасного колеса 12.24. Оборудование салона 12.25 Внутренние панели дверей 12.26 Облицовочные панели салона 12.27 Обивка потолка 12.28 Выключатель дверного замка 12.29. Стекло двери, стеклоподъемник и электродвигатель стеклоподъемника 12.30 Ветровое стекло 12.31 Заднее стекло 12.32 Внутрисалонное зеркало заднего вида 12.33. Сиденья 12.34 Ремни безопасности
13. Электрооборудование
13.0 Электрооборудование 13.1 Обнаружение неисправностей в системе электрооборудования 13.2 Проверка напряжения 13.3 Обнаружение короткого замыкания 13.4 Проверка надежности заземления 13.5 Проверка целостности цепи 13.6 Нахождение незамкнутой цепи 13.7 Предохранители 13.8 Пережигаемые перемычки 13.9 Автоматические выключатели 13.10 Система безопасности SRS (подушки безопасности) 13.11. Отопитель 13.12. Кондиционер 13.13. Круиз-контроль 13.14. Аудиосистема 13.15. Очистители стекол 13.16. Приборы и переключатели 13.17. Приборы освещения 13.18. Защитные устройства электрических цепей
14. Электросхемы
14.0 Электросхемы 14.2 Электрооборудование кузова (1983-1986 гг., 1,6) 14.3 Электрооборудование двигателя (1984-1986 гг.) 14.4 Электрооборудование двигателя (1987-1988 гг.) 14.5 Электрооборудование кузова (1983-1987 гг.) 14.6 Электрооборудование двигателя 2,6 л (1989-1990 гг.) 14.7 Электрооборудование кузова (1988 г.) 14.8 Электрооборудование кузова (1989-1990 гг.) 14.9 Электрооборудование двигателя 3,0 л (1989-1990 гг.) 14.10 Система управления двигателем 3,0 л (1991 г.) 14.11 Электрооборудование кузова (1991 г.) 14.12 Система управления 12-клапанным двигателем 3,0 л (1992-1993 гг.) 14.13 Система управления 24-клапанным двигателем 3,0 л (1992-1993 гг.) 14.14 Электрооборудование кузова (1992-1993 гг.) 14.15 Электрооборудование 12-клапанного двигателя 3,0 л (1994-1995 гг.) 14.16 Электрооборудование двигателя 3,5 л (1994-1998 гг.) 14.17 Электрооборудование кузова (1994-1998 гг.) 14.18 Электрооборудование дизеля 2,3 л 14.19 Система управления 24-клапанным двигателем 3,0 л (1992-1993 гг.)
automend.ru
Неполадки
Новый двигатель серии, несмотря на модернизацию, имеет характерные слабые зоны. Они в процессе эксплуатации подвергаются наибольшему воздействию. Заботливый владелец обязан знать о них, регулярно проверять детали и проводить профилактические работы.
Впускной коллектор: проваливание заслонок, образование трещин
Одна из распространённых неполадок мотора 6G75. Чтобы предотвратить проваливание заслонок впускного коллектора в цилиндры двигателя, надо регулярно следить за узлом. Например, при каждой замене свечей зажигания, можно определять состояние коллектора, степень износа и вероятность зацепа заслонками стенок камер.
Впускной коллектор
Причина провала — это стёртый упор, который имеет свойство изнашиваться со временем. И при сильном износе заслонки коллектора начинают цеплять стенки, ломаться, что приводит к проваливанию винтов и металлических обломков внутрь цилиндров.
Вообще, вся поверхность корпуса впускного коллектора нуждается в тщательной проверке. Если в каком-нибудь месте образуется трещина, начнёт пропускать воздух, и двигатель потеряет изначальную мощность. Вот как следует проверять корпус коллектора:
- залить в пустую бутылку воды;
- сделать в пластиковой крышке ёмкости отверстие;
- полить на поверхность — место подсоса сразу проявится.
Мелкие трещины легко устранить белым силиконовым герметиком или холодной сваркой.
Проворот вкладышей
V-образная шестёрка считается крепким мотором, способным перенести 1-2 перегрева. Однако эта особенность не защищает двигатель от неожиданности — стука, проворота вкладышей на 3-м и 4-м цилиндрах.
Очевидно, что такая ситуация является аварийной. Это означает, что из посадочных мест вырвало подшипники скольжения, и они пришли в негодность.
Причины перегрева двигателя надо искать не только в низкокачественных моторных маслах. На самом деле, поводов для стука бывает огромное количество, и коренные вкладыши могут выходить из строя при залитом оригинальном лубриканте.
Вкладыши 6g75
Шатунные вкладыши установлены в специальных местах — постелях. Их фиксируют, так как на них имеются каналы для движения смазки. Отверстия должны соответствовать размеру каналов в постелях. Кроме того, фиксация элементов помогает обеспечить трение на специальных, предназначенных для этого поверхностях. Таким образом, шатунный вкладыш — это особый защитный элемент, значительно увеличивающий ресурс коленвала.
Коренные вкладыши аналогичны шатунным, схожи по своему предназначению, но расположены в других местах.
Основная причина проворота вкладышей — чрезмерная нагруженность двигателя, работающего в жёстких условиях. Это может происходить также из-за неправильно подобранного масла.
Неисправность с вкладышами решается заменой элементов на новые. В некоторых случаях нужна бывает шлифовка коленвала.
Отзывы про 6G75
| Саша | Когда начались проблемы с двигателем, обратился в сервис. Через пять минут был поставлен предварительный диагноз: разрушение оси привода заслонок системы изменяемой геометрии впускного коллектора (VARIABLE INDUCTION CONTROL). Метод лечения — удаление, ибо узел идет в сборе, запчастей нет, отремотировать узел можно только полной заменой, либо имея «донора». |
| Знаток | Надо снимать впускной коллектор, переворачивать, именно там располагается этот «чудо» механизм компании MMC, в каждом из впускных каналов, коих 6, мы должны наблюдать по заслонке аналогичной дроссельной. Магнитной указкой ищем заслонки во впускных каналах, извлекаем оттуда расколотые элементы. |
| Ладик | Было дело, снимали. И я в полном афиге: две заслонки на оси просто отсутствуют… %) То есть не разрушение оси, а отсутствие заслонок 1-го и 6-го цилиндров. |
| Вкрафт | Да, проверять надо тщательно, запасть в цилиндры могут и винтики, провалиться внутрь, и будет понятно, что за стук. Хотя, если они попали туда, естественно там их не будет, они уже давно стали частью камер сгорания, либо вылетели через выпускные клапаны. Но можно обнаружить следы прибывания этих самых винтиков в цилиндрах: побитые поршни, механически поврежденные свечи, масло в цилиндре, повреждение пары цилиндр-кольца-поршень… |
| Просветленный | Та же история. Обратился в центр. официалы искали причину два дня, так толком ничего и не нашли, говорили, что причина в ГРМ, в свечах, меряли компрессию, что компьютер показывает, что все параметры в норме, потом отказывались от своих предположений, вообщем морочили голову, а параллельно делали мне половину большого ТО (заменили ГРМ с роликами, свечи, помыли радиаторы), за что в последствии содрали, понятно, не малые деньги… Отдавая машину естественно заявили, что теперь все ок, проблема устранена, однако причину толком не назвали (называли конечно, но я понимал, что это все отмазки…). Я как в воду смотрел, на первом же светофоре, как только машина полностью прогрелась, проблема вернулась. Возвращаться назад не стал, понял, что бессмысленно. |
| Овал | Да, видимо болезнь наследственная, жаль, что производитель не обращает на это внимания. Думаю, это недостаток конструкции + наш бензин…Посмотрим, вскрытие покажет. Камерой иных повреждений не видно, компрессия в норме, разница по компрессии тоже в норме. |
| Папа52 | Да жуткая ситуация. Не понятно почему заслонки все по открутились. |
| Зилла | А на 3.8 двигле пневмопривод заслонок стоит? На сколько я знаю митсу сделала эти заслонки с электроприводом, и вроде после этого проблема ушла. |
| Гор | Непосредственно исполнительный механизм пневмо, клапан электро. |
Заказать контрактный двигатель
Устал платить за штрафы? Выход есть!
Забудьте о штрафах с камер! Абсолютно легальная новинка — Глушилка камер ГИБДД, скрывает ваши номера от камер, которые стоят по всем городам. Подробнее по ссылке.
- Абсолютно легально (статья 12.2);
- Скрывает от фото-видеофиксации;
- Подходит для всех автомобилей;
- Работает через разъем прикуривателя;
- Не вызывает помех в радиоприемнике и сотовых телефонах.
Узнать в чем секрет
Двигатель 6G72 Мицубиси Паджеро: характеристики, неисправности и тюнинг
Двигатель 6G72 – это мощный шестицилиндровый силовой агрегат, который появился в 1986 году и смог продержаться на конвейере вплоть до 2008 года.
Этот мотор зарекомендовал себя как чрезвычайно надежный, экономичный и простой в обслуживании двигатель. Благодаря своим отличным эксплуатационным характеристикам этот силовой агрегат пользуется заслуженной любовью у автовладельцев.
Технические характеристики
Двигатель 6G72 имеет следующие технические характеристики:
Скачать .xls-файл
Скачать картинку
Отправить на email
| ПАРАМЕТРЫ | ЗНАЧЕНИЕ |
| Годы выпуска | 1986 — 2008 |
| Вес | 200 кг |
| Материал блока цилиндров | чугун |
| Система питания мотора | Инжектор |
| Тип расположения цилиндров | V-образный |
| Рабочий объем мотора | 2 972 см 3 |
| Мощность двигателя | 143 л. с. 5000 об/мин |
| Количество цилиндров | 6 |
| Количество клапанов | 12 |
| Ход поршня | 76 миллиметров |
| Диаметр цилиндров | 91.1 миллиметр |
| Степень сжатия | 8.9 атм |
| Крутящий момент | 168 Нм/2500 об.мин |
| Экологические нормы | ЕВРО 4 |
| Топливо | 92 бензин |
| Расход топлива | 13.7 л/100 км |
| Масло | 5W-30 |
| Объем масла в картере | 4,6 литра |
| При замене лить | 4,3 литра |
| Замена масла проводится | Каждые 15 тысяч км |
| Ресурс мотора | |
| — по данным завода | 250 |
| — на практике | 400 |
Двигатель 6G72 устанавливался на Mitsubishi Galant, Eclipse III, Pajero/Montero, Dodge Daytona, Ram 50, Chrysler LeBaron, Sebring Coupe и ряд других популярных в конце прошлого века автомобилей.
Особенности
Отметим, что этот японский автопроизводитель постоянно совершенствовал и модернизировал свои двигатели 6g72. Фактически изменения в его конструкцию вносились каждый год, что и объясняет столь большое количество разновидностей этих двигателей. Все они зарекомендовали себя как довольно надежные и простые в эксплуатации.
Мотор 6g72 имел ременной привод газораспределительного механизма, при этом конструкция силового агрегата такова, что при обрыве ремня поршень соударяется с клапанами, вынуждая проводить дорогостоящий ремонт. Отметим, что такие сервисные работы по замене ремня ГРМ выполняются каждые 90 000 километров.
Модификации
В восьмидесятых годах прошлого века японская компания Mitsubishi представила новое семейство инжекторных шестицилиндровых бензиновых двигателей 6g72, которые сначала были представлены двух (6G71) и трехлитровым (6G72) силовым агрегатом.
Вскоре предложение было расширено ещё тремя моторами, которые широко использовались на различных автомобилях этого японского автопроизводителя и устанавливались на американские машины по лицензии. Это V-образный чугунный шестицилиндровый двигатель, который имеет угол развала цилиндров в 60 градусов. Головка блока цилиндров у двигателя 6g72 выполнялась из алюминия, что позволило существенно облегчить этот силовой агрегат, улучшив показатели температурной стойкости.
Популярностью пользовался 3,5-литровый двигатель 6g74, который был точной копией базовой модели с расточенными цилиндрами. Он был прост в обслуживании, надежен и экономичен. Он также имел ременной привод ГРМ и требовал регулярной замены этого механизма каждые 70-90 тысяч километров. Двигатели 6g74 устанавливались на американские внедорожники и ряд топовых модификаций Паджеро.
Первоначально этот мотор и двигатели 6g74 имели два клапана на цилиндр, однако в середине девяностых годов проведен рестайлинг, после чего мотор получил новую головку блока цилиндров и клапанный механизм, который имел уже на каждый цилиндр по четыре клапана. За счёт подобной компоновки, а также инжекторной системы впрыска существенно повысилась мощность мотора. Предлагались как атмосферные версии, мощность которых составляла 141 лошадиную силу, так и турбированные двигатели (модификации 6G72TT), которые развивали 324 лошадиных силы мощности.
Несмотря на свой внушительный объем, двигатели 6g74 отличаются экономичностью и расходовали в городе 15-17 литров бензина на крупноразмерных внедорожниках и больших моделях от Dodge.
Также отметим соответствие экологическим нормам Euro 4. Мотор 6g74 в отличие от большинства других силовых агрегатов, выпущенных в восьмидесятых и девяностых годах прошлого века, изначально был разработан для использования на 95 бензине. Поэтому попытки заправлять 6g74 низкооктановым топливом неизменно приводили к поломкам этого силового агрегата.
Обслуживание двигателя 6g74 не представляет сложности и подразумевает регулярную замену масла и работы с приводом ГРМ.
Неисправности
В целом мотор 6g74 получился довольно успешным, за исключением разве что высокого расхода масла, что часто отмечается на старых автомобилях. Обусловлено это проблемами с маслосъемными колпачками, которые на 6g74 необходимо заменять при первых признаках расхода масла.
| НЕИСПРАВНОСТЬ | СПОСОБ УСТРАНЕНИЯ |
| Появление посторонних стуков в двигателе. | Проблемы, с большой долей вероятности, заключаются в гидрокомпенсаторах. Необходимо провести их замену, для чего снимают клапанную крышку. В редких случаях появление стука в 6g72 обусловлено проворотом шатунных вкладышей. В последнем случае требуется дорогостоящий капитальный ремонт. |
| У мотора плавают обороты. | Рекомендуется проверить регулятор холостого хода. Его регулировка или же замена не представляет сложности. Также при наличии таких плавающих оборотов следует провести осмотр дроссельной заслонки и при возможности выполнить очистку. |
| Отмечаются перебои в работе двигателя. | Причин подобного может быть несколько. В первую очередь проведите замену свечей, которые могут быстро выходить из строя по причине использования некачественного топлива. В редких случаях требуется снимать впускной коллектор и проводить его шлифовку. |
| Двигатель потерял свою мощность. | Необходимо вскрыть мотор, предварительно проверив компрессию. Как правило, проблема с потерей мощности приводит к капитальному ремонту и замене ряда основных компонентов. |
Масло для 6G75
Заправочный объём картера 6G75 для масла составляет 4,9 литров. Лучше всего подходит Shell Helix Ultra A5/B5. В этом лубриканте много полезных присадок. Неплохо зарекомендовали себя масла Mobil Super 2000, Liqui Moly, Ravinol и другие.
По маслу для 6G75 столько рекомендаций, сколько и мнений. Начнём с того, что этот двигатель считается конструктивно старым, а это больше плюс, чем минус. Другими словами, мотор не столь чувствителен к вязкости масла, как новейшие ДВС. Поэтому 6G75 по топливу и маслу не очень требовательный. Итак, вот что удалось вычерпать из отзывов владельцев.
- Зимой желательно лить в мотор 0W-30, а летом — 5W-30. Некоторые льют даже 0W-20 или 5W-20. Однако, что нельзя ни в коем случае, так это заправлять 6G75 лубрикантом W-40, так как этот состав чересчур вязкий, и может доставить владельцам лишних хлопот.
- Жителям столицы и центральной/северной полосы России можно ограничиться маслом 0W-30 на весь год. Владельцы 6G75, проживающие в южных широтах, где летом жарко, уже придётся менять смазку, в зависимости от времени года.
- Некоторые придерживаются мнения, что для Москвы можно лить и 5W-30 круглый год, но с частыми заменами. Это позволит не переплачивать за нулёвку, да и зачем архаичному (в плане конструкции) 6G75 такая вязкость.
- Есть другое мнение, что у нулёвки база покрепче, и зимой такая вязкость комфортнее для столицы, если нет привычки, прогревать мотор. Да и разница в цене между этими маслами незначительная, какая же тут, спрашивается, экономия.
- В 6G75 можно лить любое масло, соответствующее указаниям производителя. По ACEA A3/B3/B4, но не A5/B5, хотя и этим можно в угоду снижения расхода горючего и улучшения экологических характеристик, без оглядки на ресурс силового агрегата. По вязкости SAE 0W-30, 5W-30 и даже 5W-40, лишь бы смазка не была подделкой!
- Для всех японских и американских двигателей масла с низкой вязкостью традиционно характерны, используются уже давно, и без проблем. Так, вся американская классика 50-60х годов питалась W-20 W-30. Такие масла не имеют недостатка в зольности, но менять смазку с учётом наших условий, рекомендуется не реже, чем раз в 5 тыс. км пробега.
- Есть мнение, что качество и параметры масел будут зависеть от версий 6G Для Mivec, например, хорошо подходят 504/507.
- Полнозольность является превосходным качеством масла, достигается урезанием пакета противоизносных и моющих присадок. Судить о ресурсе масла как о линейном процессе не стоит — даже с заменой раз в 5 тыс. км, полнозольная смазка с высокими TBN/ZDDP предпочтительнее. А вот малозольные масла придуманы затем, чтобы допустить расход смазки в 1л/1000 нормой. Малозольными принято считать все азиатские смазки.
- Для внедорожника массой более 2 тонн, комбинирующего передвижение в условиях городских пробок с режимом старт/стоп и бездорожья, при зимней эксплуатации предпочтительнее заливать 0W-30, но летом — 5W30/10W-30. Что касается малозольников, то они не противопоказаны двигателям V6, так как избежать частых замен не получится, ввиду российских условий эксплуатации. По этой причине, нет смысла заливать полнозольное, ведь при сменах лубриканта до 200 моточасов, вреда от зольности смазки не будет.
Что означает вязкость на самом деле?
Вязкость масла — самый спорный параметр, затрагиваемый при выборе масла. Существует много точек зрения. Различаются они у продавцов, дилеров, механиков, и наконец, самих автовладельцев. Зачастую мнения противоречат одно другому.
На самом деле, самые распространённые заблуждения автолюбителей, касающиеся вязкости моторного масла, навязаны самими производителями. К примеру, такая тема: для любителей быстрой езды стандартное масло не подходит — надо заливать особый тип смазки, спортивный. Конечно, это не так — реальная потеря мощности и скорый капитальный ремонт в этом случае обеспечены.
Вязкость моторного масла
Основная задача нормального моторного масла — не допустить сухого трения внутренних элементов ДВС, обеспечить практически нулевую силу трения при полной герметичности цилиндров. В условиях не статичных, когда диапазон рабочих температур смазки в моторе достаточно широк, сделать универсальную субстанцию крайне сложно. Масло бывает и 150°, и 130°, и 90°. Всё зависит от скорости движения, интенсивности, загруженности автомобиля.
Вязкость позволяет маслу оставаться на поверхности внутренних элементов двигателя, и независимо от температуры, сохранять текучесть. Однако параметры вязкости бывают разными, и всемирная ассоциация инженеров SAE разработала специальную классификацию, представляющую вязкость того или иного состава при разных температурах. По сути, она является параметром диапазона температур, позволяющих использовать масло.
В переводе 5W-30 (именно масло с этим показателем часто упоминается в отзывах), означает всесезонное масло, не теряющее изначальные свойства при низких температурах. Другими словами, холодный пуск 6G75 с таким составом возможен при температурах не ниже -35°С. По мере снижения градусов, что свойственно климату северных широт нашей страны в зимнее время, масло 5W-30 начнёт густеть, терять свои полезные свойства. Всё сложнее станет запускать мотор.
Первая цифра показателя SAE означает минимально допустимую температуру использования, если вычесть из неё 40. 5 — 40 будет -35°С. Вторая цифра в обозначении уже показывает максимально допустимый градус применения. В данном случае, это 30°С.
Что такое зольность масла?
Много было сказано также о зольности. На самом деле речь идёт о сульфатной зольности моторного масла. Одни хвалят качество низкозольного масла, другие — напротив, полнозольного. Так в чём же разница?
Любое из масел представляет собой основную базу и набор уникальных присадок, которые наделяют смазку различными свойствами. В процессе сгорания состава образуется зола с твёрдыми несгораемыми частичками. Их накопление ведёт к засорению фильтров и катализаторов — они уже не в состоянии справляться со своими функциями.
Зольность масла
Сульфатная зольность, таким образом, это шлаки или индикатор присадок в смазке. С их помощью при сгорании масла образовывается зола, подвергающаяся обработке серной кислотой для предупреждения окислительных процессов и образования сульфатов.
Получается, что чем больше в масле показатель зольности, тем выше в нём полезных свойств. Однако производители вынуждены строго дозировать присадки в собственных продуктах, так как изменение показателя сульфатной зольности в любую из сторон приведёт к изменению температуры вспышки. Большое количество сажи (золы) — барьер для нормального функционирования двигателя.



